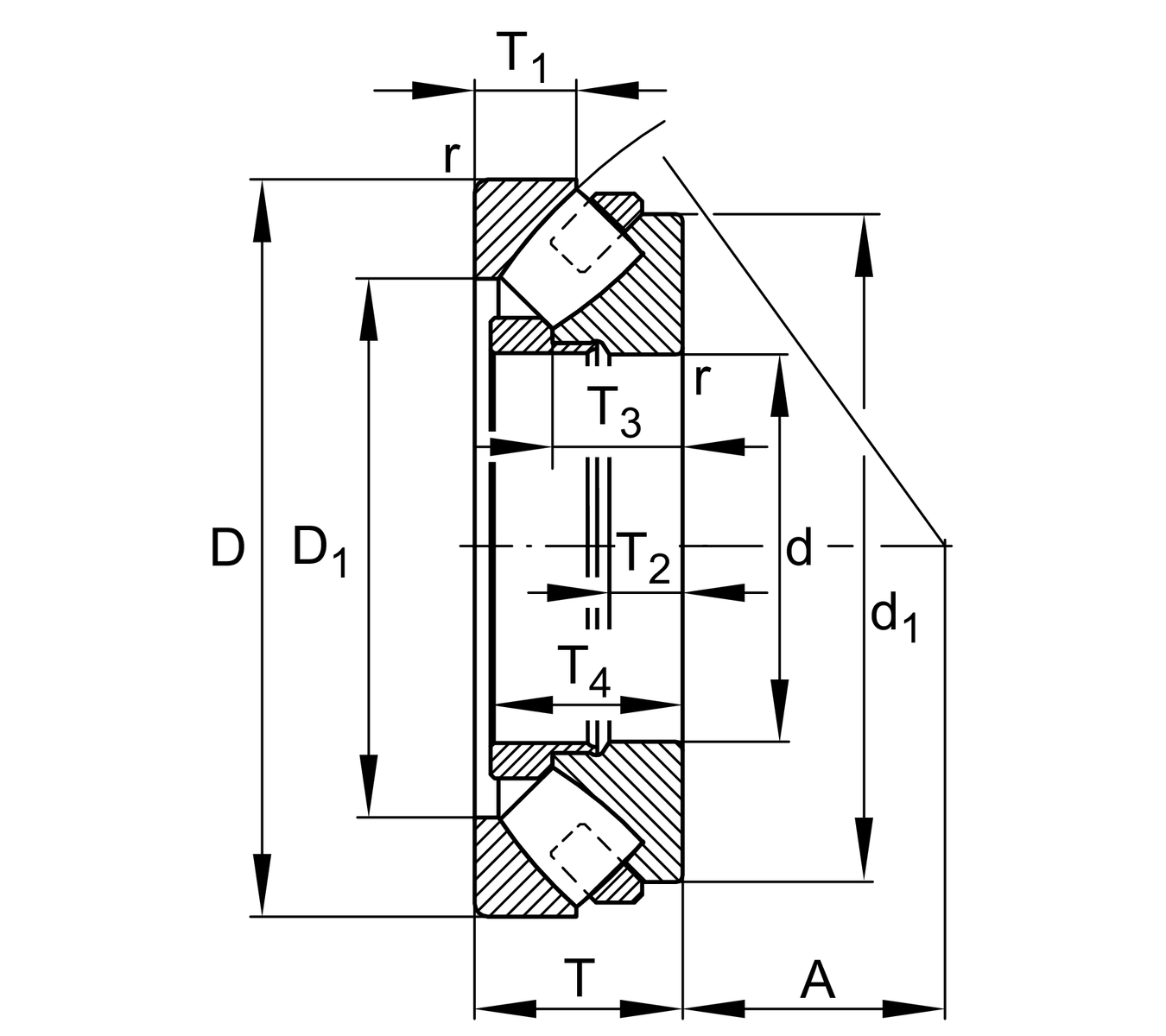
Main Dimensions & Performance Data

d

800 mm

D

1060 mm

B

155 mm

Ca

6400000 N

Coa

35500000 N

Cua

N

Reference speed

300 rpm

Limiting speed

540 rpm

Mounting dimensions

D1

911 mm Inner diameter of seat ring

da min

925 mm Shaft shoulder minimum diameter

Da max

987 mm Maximum diameter of housing shoulder

d1

1,010 mm Shaft ring split diameter

Db min

1,078 mm Minimum bore diameter of housing

r min

7.5 mm Minimum chamfer size

T1

81 mm Housing Washer Height

db max

837 mm The maximum distance of the bushingThe maximum distance of the bushing

T2

56 mm Shaft ring height

T3

94 mm Shaft ring height

ra max

6 mm Maximum pocket radius

T4

149 mm Shaft washer (including lip ring) height

A

434 mm Center point distance

Temperature range

T min

-30 °C Minimum operating temperature

T max

200 °C Maximum operating temperature