Main Dimensions & Performance Data

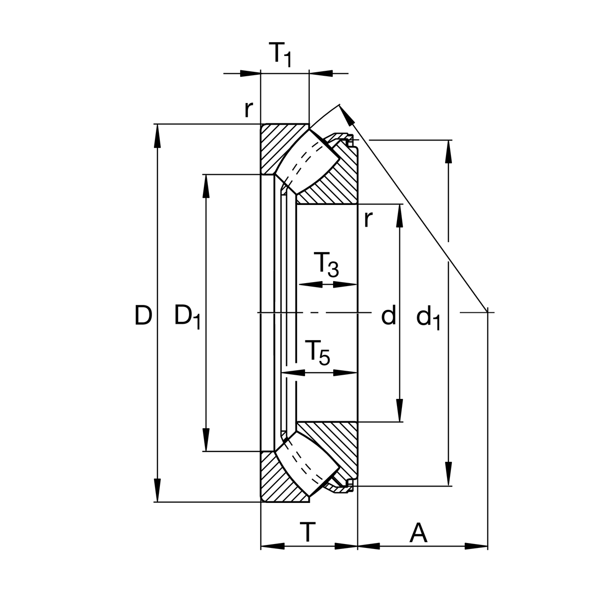
d

140 mm

D

240 mm

B

60 mm

Ca

1010000 N

Coa

2900000 N

Cua

N

Reference speed

1490 rpm

Limiting speed

2900 rpm

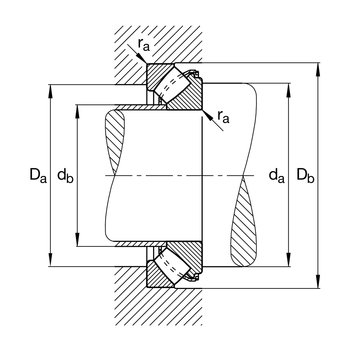
Mounting dimensions

D1

177 mm Inner diameter of seat ring

da min

190 mm Shaft shoulder minimum diameter

Da max

208 mm Maximum diameter of housing shoulder

d1

220.6 mm Shaft ring split diameter

Db min

244 mm Minimum bore diameter of housing

r min

2.1 mm Minimum chamfer size

T1

30 mm Housing Washer Height

db max

154 mm The maximum distance of the bushing

db1 max

149 mm Maximum chamfer diameter of spacer bushing

T3

38.5 mm Shaft ring height

ra max

2.1 mm Maximum pocket radius

30 ° Spacer sleeve chamfer angle

T5

53.5 mm Shaft washer - cage distance

A

82 mm Center point distance

Temperature range

T min

-30 °C Minimum operating temperature

T max

200 °C Maximum operating temperature