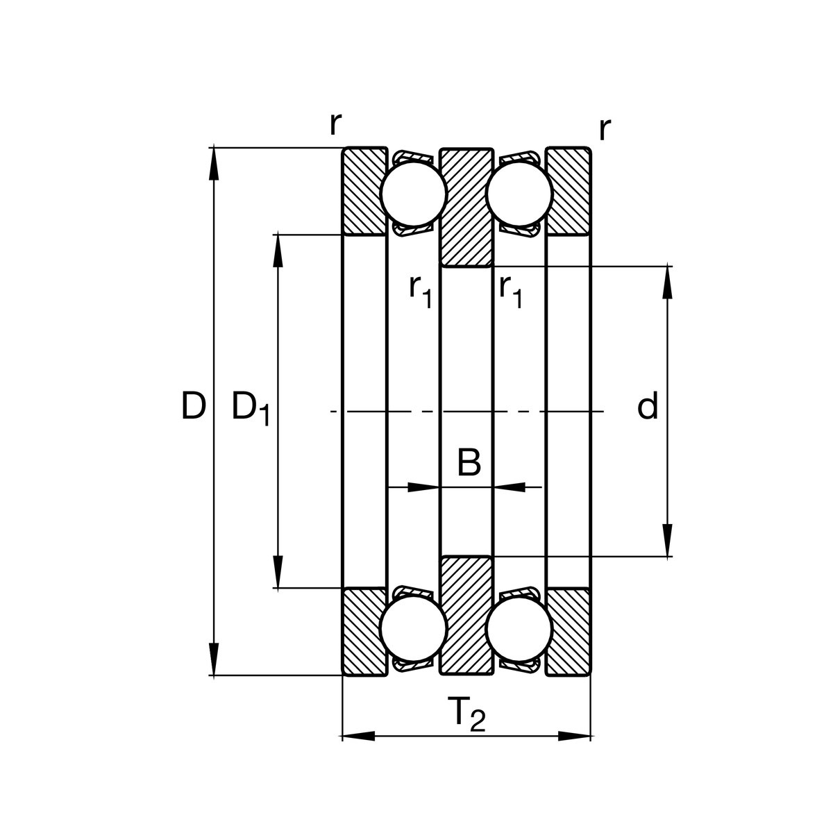
Main Dimensions & Performance Data

d

150 mm

D

280 mm

Ca

440000 N

Coa

1560000 N

Cua

N

Limiting speed

1220 rpm

Mounting dimensions

D1

174 mm Inner diameter of seat ring

da max

170 mm Shaft maximum installation size

B

33 mm Shaft ring height

Da max

214 mm Maximum diameter of housing shoulder

ra max

2.5 mm Maximum pocket radius

r min

3 mm Minimum chamfer size

ra1 max

1 mm Maximum pocket radius

r1 min

1.1 mm Minimum chamfer size

Temperature range

T min

-30 °C Minimum operating temperature

T max

200 °C Maximum operating temperature