Main Dimensions & Performance Data

d

30 mm

D

78 mm

Ca

61000 N

Coa

112000 N

Cua

N

Limiting speed

4250 rpm

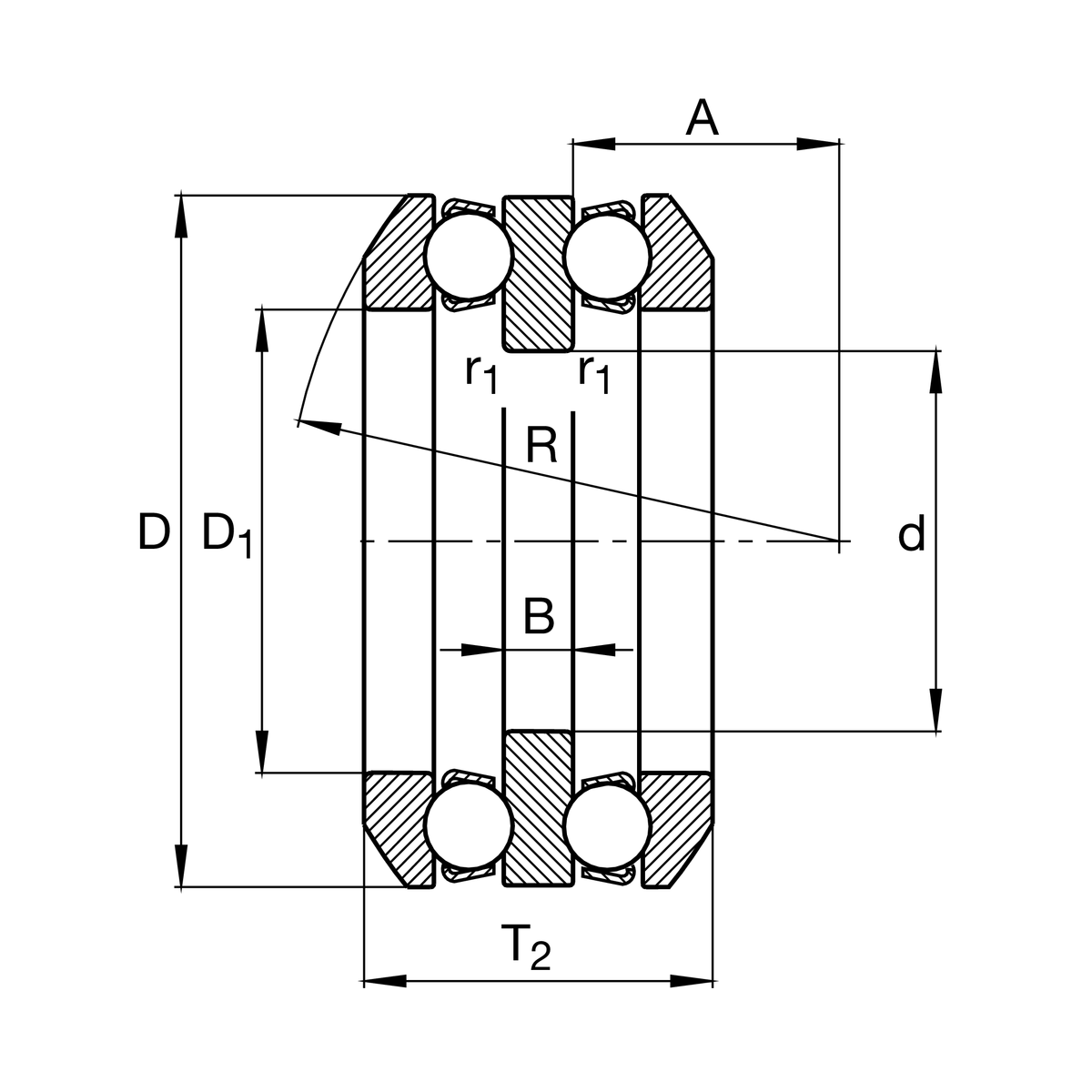
Mounting dimensions

D1

42 mm Inner diameter of seat ring

da max

40 mm Shaft maximum installation size

B

12 mm Shaft ring height

Da max

60 mm Maximum diameter of housing shoulder

ra max

1 mm Maximum pocket radius

r min

1 mm Minimum chamfer size

ra1 max

0.6 mm Maximum pocket radius

r1 min

0.6 mm Minimum chamfer size

R

64 mm Self-aligning race radius

A

23.5 mm Center point distance

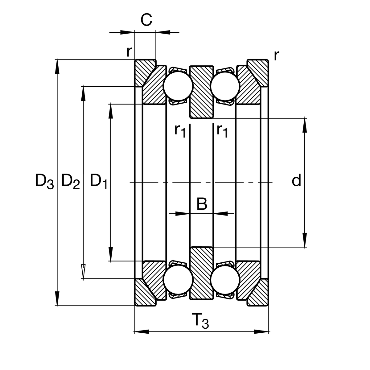
T3

59 mm Seat washer height

Temperature range

T min

-30 °C Minimum operating temperature

T max

150 °C Maximum operating temperature