Japan
Contact
Search Bearing
Engineering Tools
Catalogs & Literature
Model query
Menu
About
CSR
PORTFOLIO
Engineered Bearings
MARKETS
INVESTORS
CAREERS
WORK THAT MATTERS
OUR CULTURE
BENEFITS
NEWS
Home
>
Model
>
Thrust ball bearing
51292-MP Thrust deep groove ball bearing
Request Information
Return to list
VIEW CAD DRAWING
View structure diagram
View structure diagram
DOWNLOADS
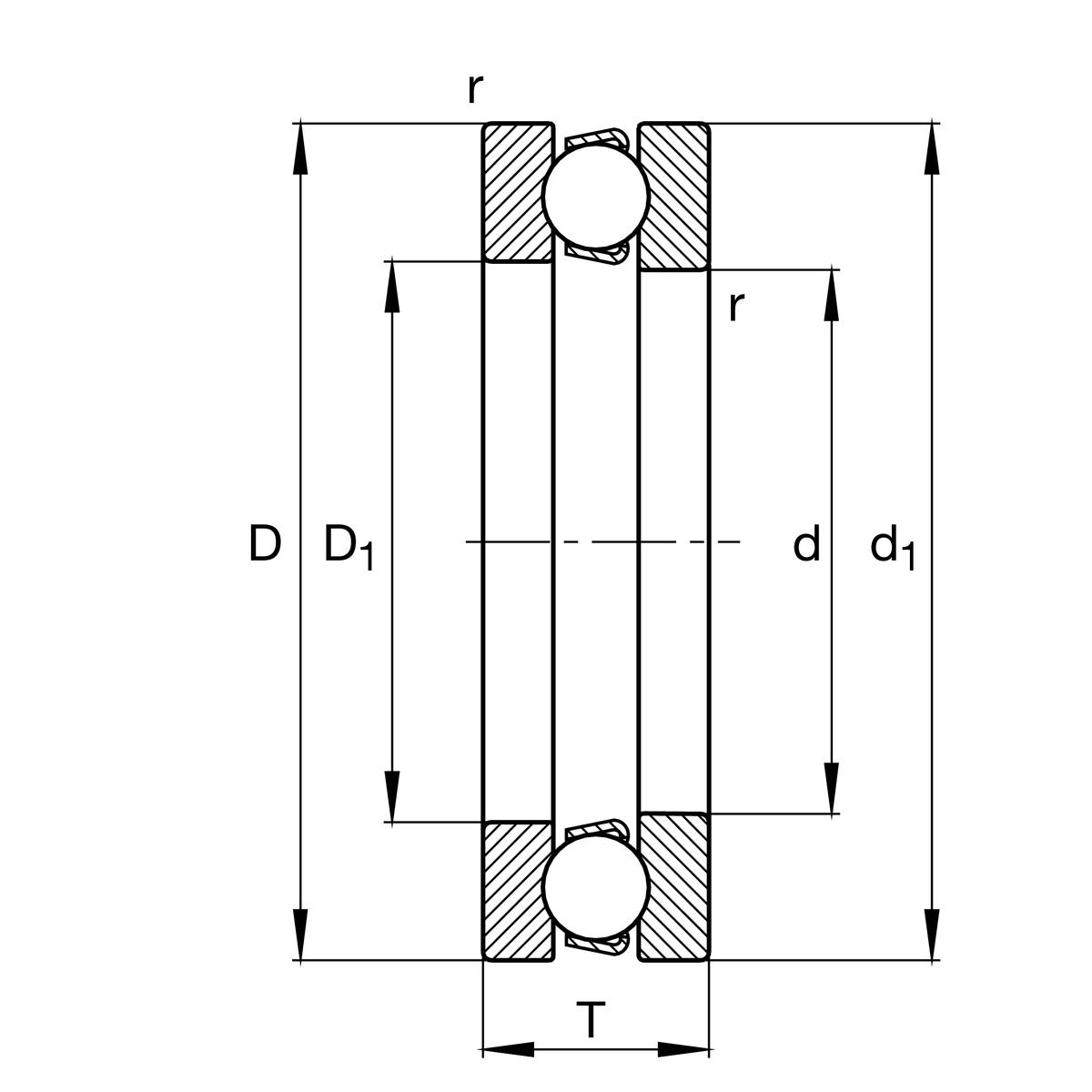
Main Dimensions & Performance Data
d
460 mm
D
620 mm
Ca
930000 N
Coa
5800000 N
Cua
N
Reference speed
660 rpm
Limiting speed
660 rpm
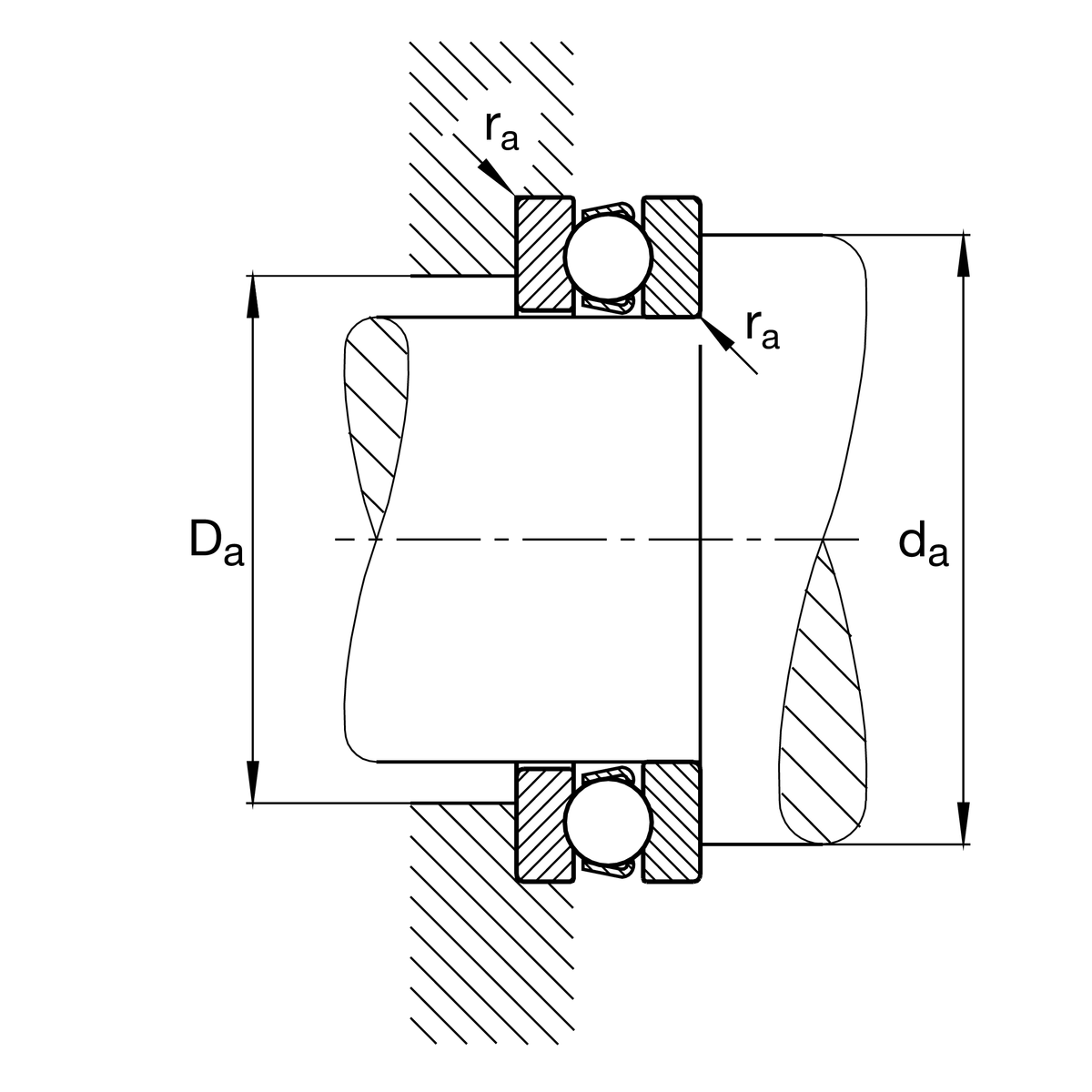
Mounting dimensions
da min
556 mm
Shaft shoulder minimum diameter
r min
5 mm
Minimum chamfer size
D1
465 mm
Inner diameter of seat ring
Da max
524 mm
Maximum diameter of housing shoulder
d1
615 mm
Diameter of shaft ring flange
ra max
4 mm
Maximum pocket radius
Temperature range
T min
-30 °C
Minimum operating temperature
T max
200 °C
Maximum operating temperature