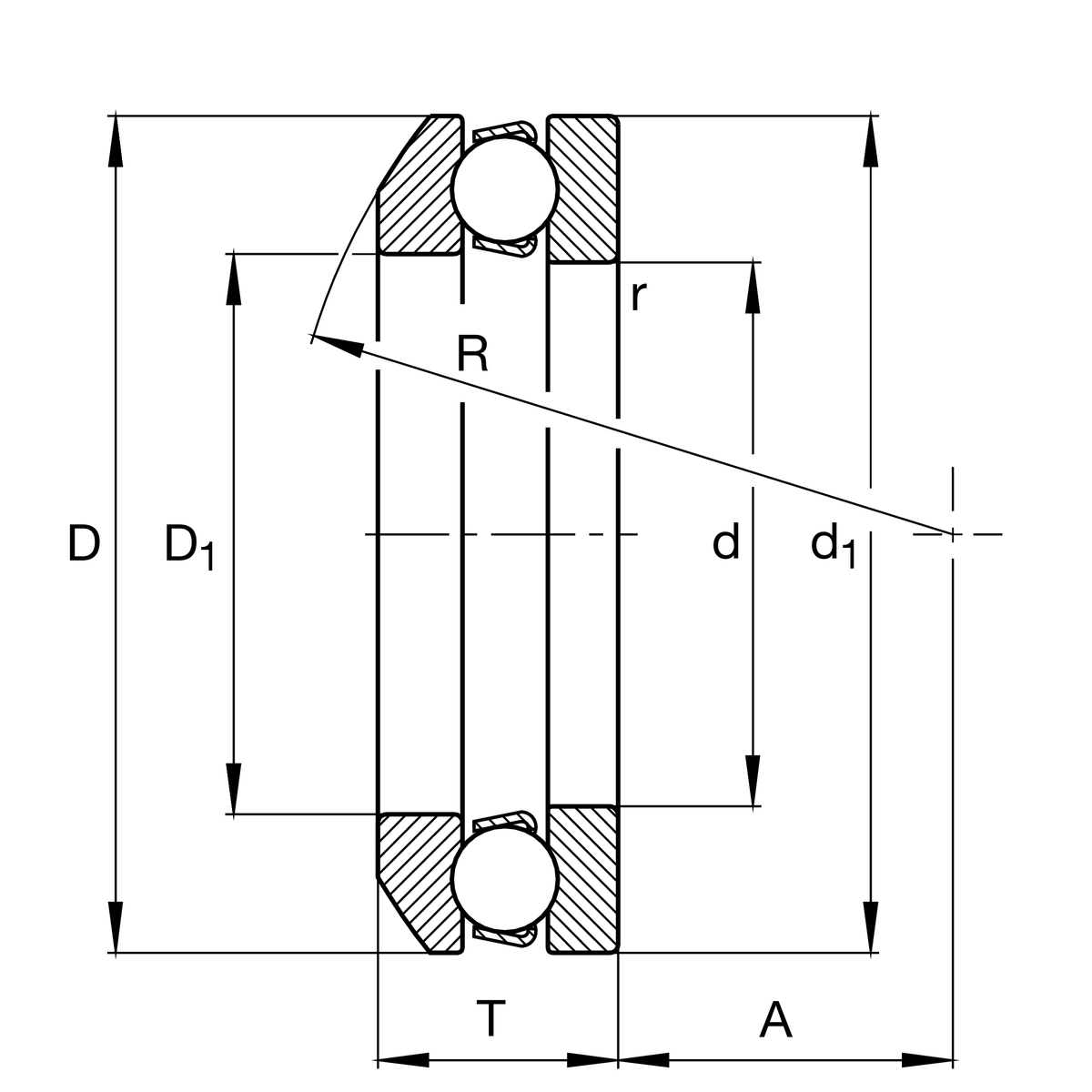
Main Dimensions & Performance Data

d

110 mm

D

190 mm

Ca

280000 N

Coa

740000 N

Cua

N

Reference speed

3400 rpm

Limiting speed

1790 rpm

Mounting dimensions

da min

158 mm Shaft shoulder minimum diameter

r min

2 mm Minimum chamfer size

D1

113 mm Inner diameter of seat ring

Da max

150 mm Maximum diameter of housing shoulder

d1

187 mm Diameter of shaft ring flange

ra max

2 mm Maximum pocket radius

R

140 mm Self-aligning race radius

A

51 mm Center point distance

T1

72 mm Seat washer height

Temperature range

T min

-30 °C Minimum operating temperature

T max

150 °C Maximum operating temperature