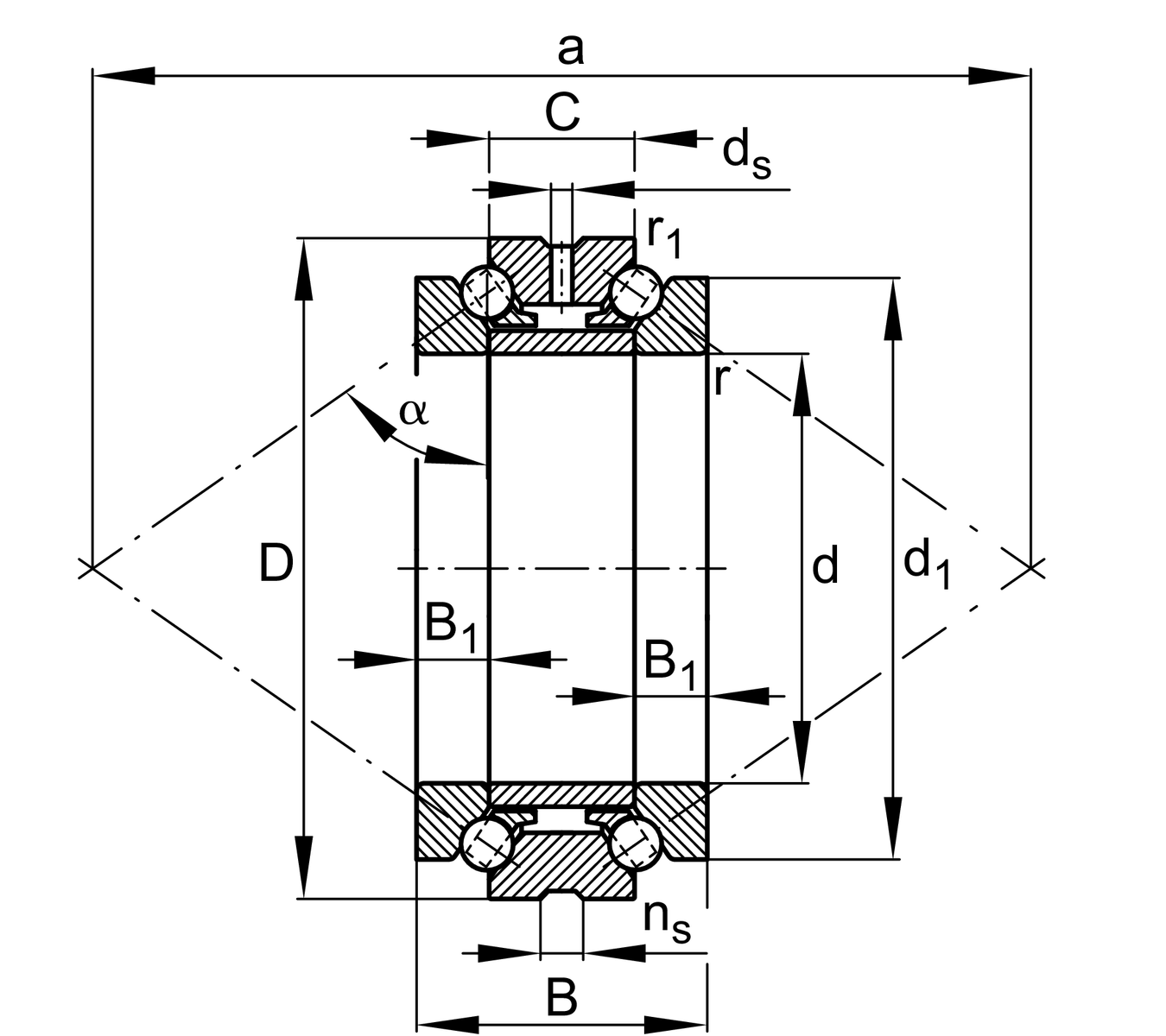
Main Dimensions & Performance Data

d

140 mm

D

210 mm

B

84 mm

Ca

132000 N

Coa

470000 N

Cua

N

Limiting speed

2600 rpm

Mounting dimensions

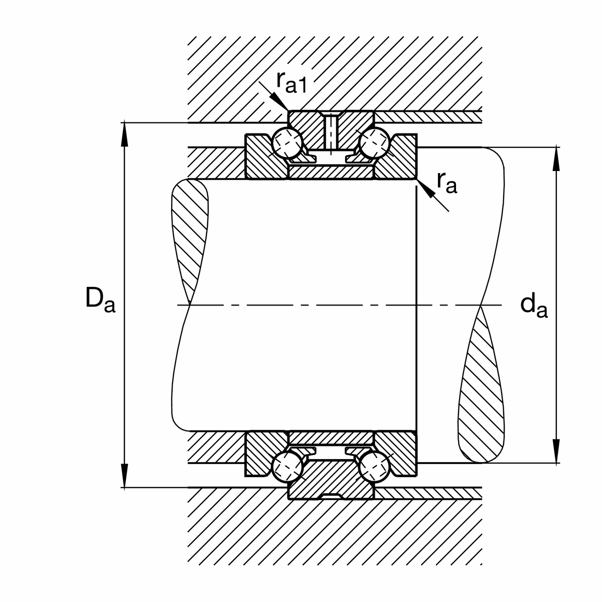
da

169 mm Shaft shoulder diameter

d1

187 mm Shaft ring split diameter

da

h12 Shaft shoulder clearance diameter

B1

21 mm Corrugated disc height

r min

2.1 mm Minimum chamfer size

Da

198 mm Outer ring shoulder diameter

r1 min

0.6 mm Minimum chamfer size

Da

H12 Outer ring clearance shoulder diameter

ds

6.3 mm Lubrication hole diameter

ra max

2.1 mm Maximum pocket radius

ra1 max

0.6 mm Maximum pocket radius

ns

12.2 mm Lubrication groove width

α

60 ° Contact angle

a

350.5 mm Pressure cone tip distance

Temperature range

T min

-30 °C Minimum operating temperature

T max

150 °C Maximum operating temperature