Main Dimensions & Performance Data

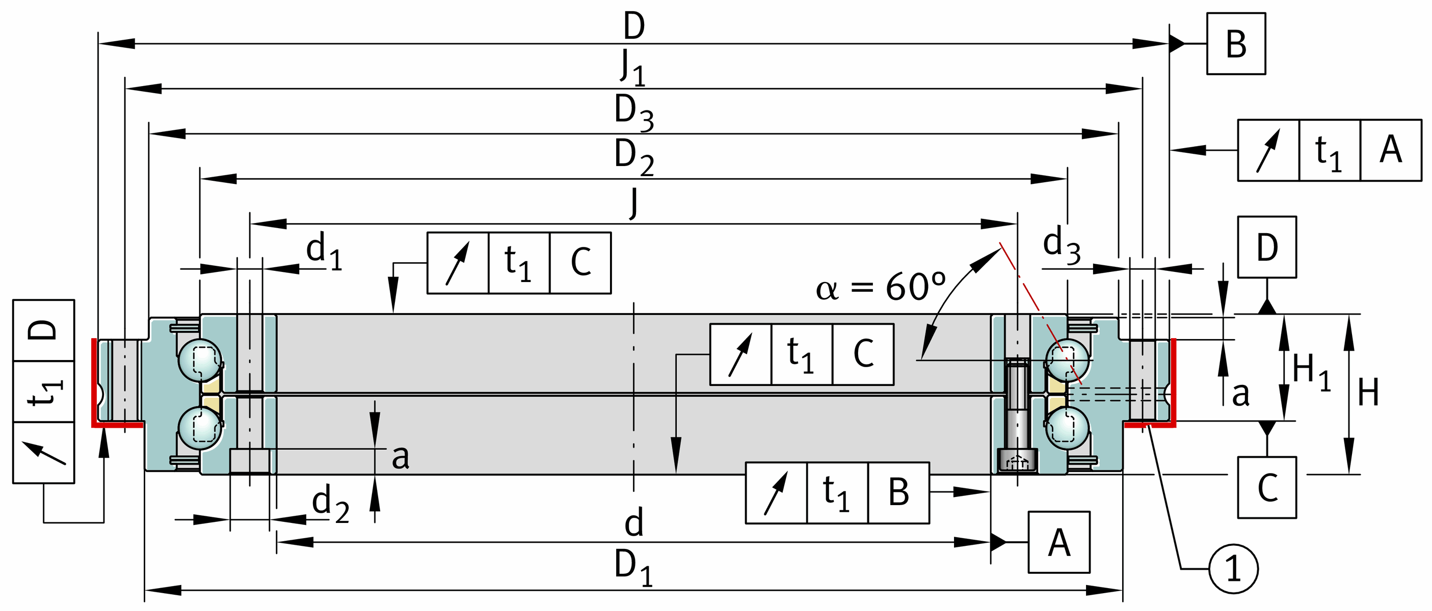
d

120 mm

D

210 mm

B

40 mm

Ca

76000 N

Coa

315000 N

Cua

N

Mounting dimensions

H1

26 mm Outer ring contact surface height

J

135 mm Inner ring fixing hole diameter

0.175 mm Height contact face outerring H1 upper tolerance

J1

195 mm outer ring fixing hole diameter

d1

7 mm Inner ring fixed aperture

-0.175 mm Height contact face outerring H1 lower tolerance

d2

11 mm Fixed hole counterbore diameter

D1

185 mm Outer diameter D1

a

6.2 mm Fixed hole counterbore depth

D2

159 mm Inner ring rib diameter

D3

181 mm Outer diameter D3

22 Number of inner ring fixing holes

t1

3 µm Axial and radial runout, measurement standard; Measured on mounted bearing, with ideal adjacent construction.

d3

7 mm Outer ring fixed aperture

21 Number of outer ring fixing holes

n

24 pitch

t

15 ° Pitch circle separation angle

G

M8 Threaded extraction hole

3 Number of threaded extraction holes

MA

14 Nm Tightening torque

2 Number of fixing screws

Temperature range

T min

-30 °C Minimum operating temperature

T max

120 °C Maximum operating temperature