Japan
Contact
Search Bearing
Engineering Tools
Catalogs & Literature
Model query
Menu
About
CSR
PORTFOLIO
Engineered Bearings
MARKETS
INVESTORS
CAREERS
WORK THAT MATTERS
OUR CULTURE
BENEFITS
NEWS
Home
>
Model
>
Thrust ball bearing
DKLFA40140-2RS Thrust Angular Contact Ball Bearing
Request Information
Return to list
VIEW CAD DRAWING
View structure diagram
View structure diagram
View structure diagram
DOWNLOADS
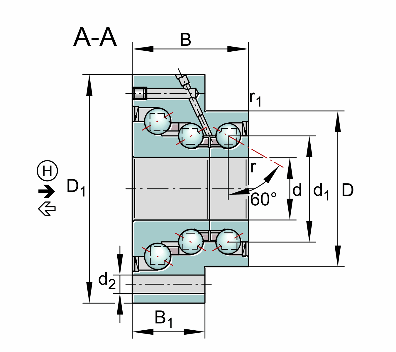
Main Dimensions & Performance Data
d
40 mm
D
90 mm
B
60 mm
Ca
72000 N
Coa
149000 N
Cua
N
Reference speed
1200 rpm
Limiting speed
2900 rpm
Mounting dimensions
da min
56 mm
Shaft shoulder minimum diameter
d1
65 mm
Inner ring rib diameter
D1
140 mm
Flange diameter
da max
80 mm
Shaft shoulder maximum diameter
r min
0.3 mm
Minimum chamfer size
r1 min
0.6 mm
Minimum chamfer size
M10
Bolt size
n
8
Number of screws
B1
35 mm
Flange thickness
d2
11 mm
Fixed hole diameter
J
118 mm
Pitch diameter (hole)
A
110 mm
Flange width
Temperature range
T min
-30 °C
Minimum operating temperature
T max
120 °C
Maximum operating temperature