Japan
Contact
Search Bearing
Engineering Tools
Catalogs & Literature
Model query
Menu
About
CSR
PORTFOLIO
Engineered Bearings
MARKETS
INVESTORS
CAREERS
WORK THAT MATTERS
OUR CULTURE
BENEFITS
NEWS
Home
>
Model
>
Thrust ball bearing
DKLFA30100-2RS Thrust Angular Contact Ball Bearing
Request Information
Return to list
VIEW CAD DRAWING
View structure diagram
View structure diagram
View structure diagram
DOWNLOADS
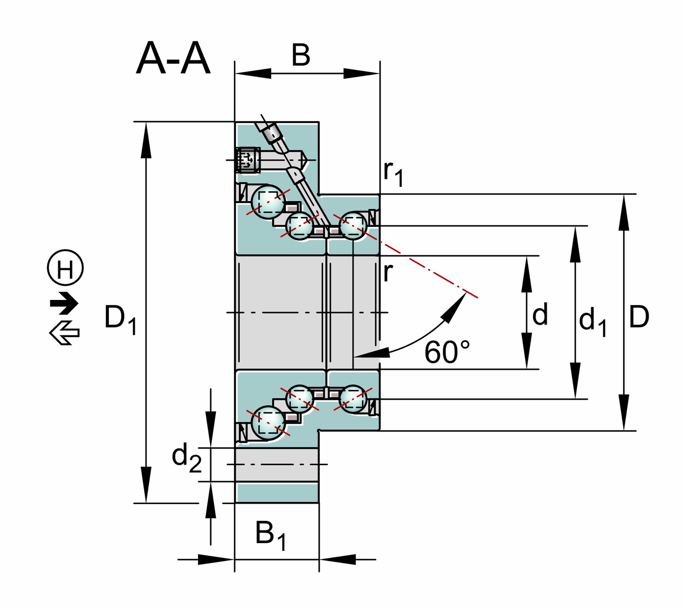
Main Dimensions & Performance Data
d
30 mm
D
62 mm
B
38 mm
Ca
29000 N
Coa
64000 N
Cua
N
Reference speed
1800 rpm
Limiting speed
4000 rpm
Mounting dimensions
da min
40 mm
Shaft shoulder minimum diameter
d1
45.5 mm
Inner ring rib diameter
D1
100 mm
Flange diameter
da max
53 mm
Shaft shoulder maximum diameter
r min
0.3 mm
Minimum chamfer size
r1 min
0.6 mm
Minimum chamfer size
M8
Bolt size
n
6
Number of screws
B1
22 mm
Flange thickness
d2
8.8 mm
Fixed hole diameter
J
80 mm
Pitch diameter (hole)
A
72 mm
Flange width
Temperature range
T min
-30 °C
Minimum operating temperature
T max
120 °C
Maximum operating temperature