Japan
Contact
Search Bearing
Engineering Tools
Catalogs & Literature
Model query
Menu
About
CSR
PORTFOLIO
Engineered Bearings
MARKETS
INVESTORS
CAREERS
WORK THAT MATTERS
OUR CULTURE
BENEFITS
NEWS
Home
>
Model
>
Thrust ball bearing
DKLFA2080-2RS Thrust Angular Contact Ball Bearing
Request Information
Return to list
VIEW CAD DRAWING
View structure diagram
View structure diagram
View structure diagram
DOWNLOADS
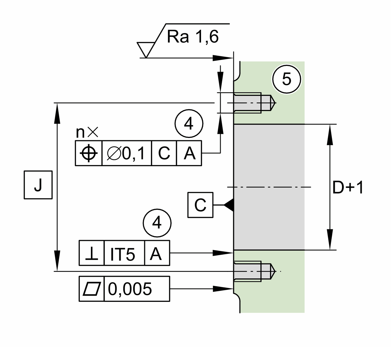
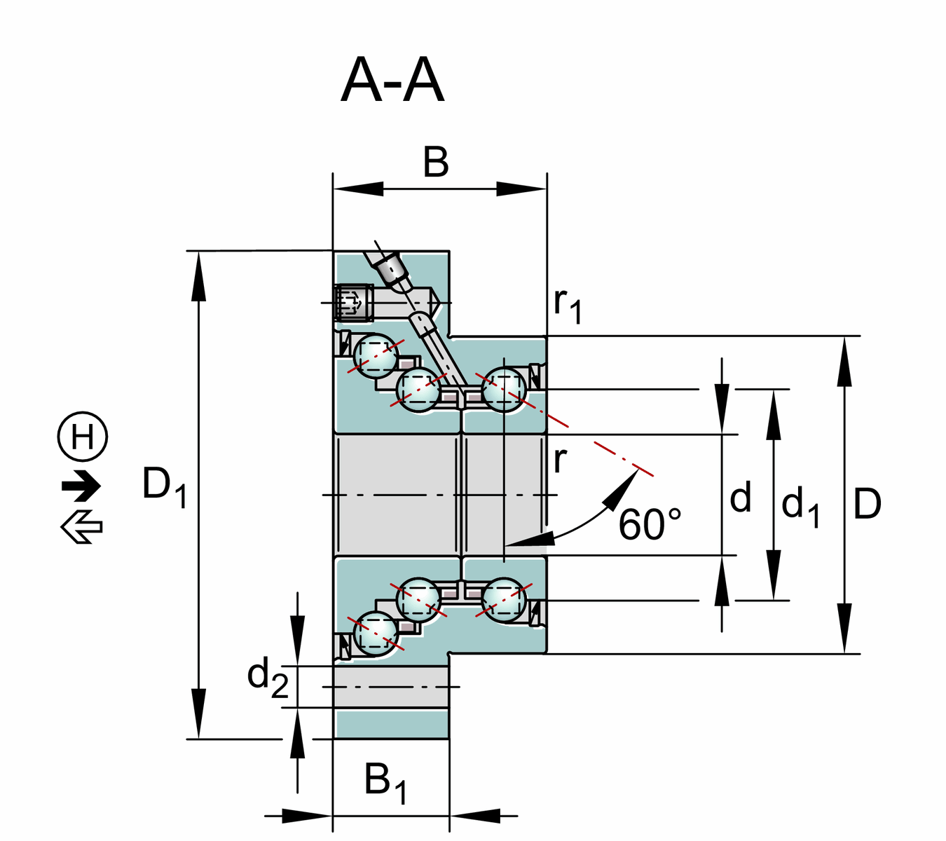
Main Dimensions & Performance Data
d
20 mm
D
52 mm
B
35 mm
Ca
26000 N
Coa
47000 N
Cua
N
Reference speed
2200 rpm
Limiting speed
5000 rpm
Mounting dimensions
da min
25 mm
Shaft shoulder minimum diameter
d1
34.5 mm
Inner ring rib diameter
D1
80 mm
Flange diameter
da max
43 mm
Shaft shoulder maximum diameter
r min
0.3 mm
Minimum chamfer size
r1 min
0.6 mm
Minimum chamfer size
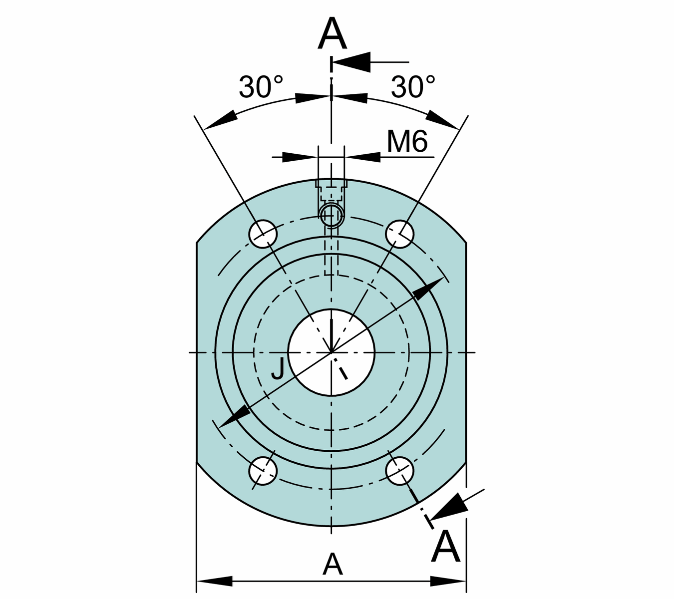
M6
Bolt size
n
4
Number of screws
B1
19 mm
Flange thickness
d2
6.8 mm
Fixed hole diameter
J
63 mm
Pitch diameter (hole)
A
62 mm
Flange width
Temperature range
T min
-30 °C
Minimum operating temperature
T max
120 °C
Maximum operating temperature