Main Dimensions & Performance Data

d

15 mm

D

60 mm

B

25 mm

Ca

19800 N

Coa

28500 N

Cua

N

Reference speed

3500 rpm

Limiting speed

8200 rpm

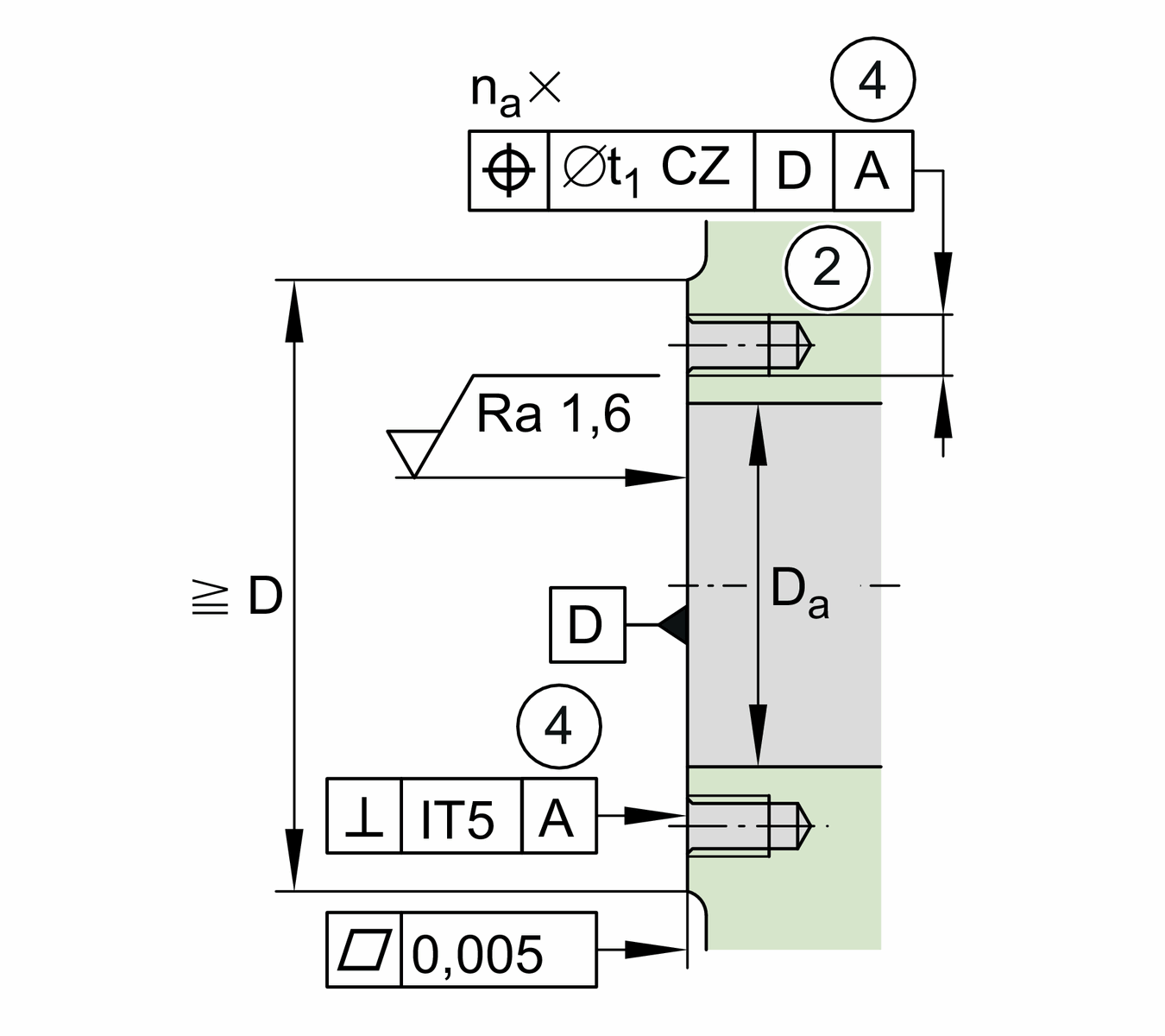
Mounting dimensions

Da max

35 mm Maximum diameter of bearing housing

d1

28 mm Inner ring rib diameter

r min

0.3 mm Minimum chamfer size

da min

20 mm Shaft minimum diameter

r1 min

0.6 mm Minimum chamfer size

t1

0.1 mm Housing hole positioning tolerance

J

46 mm Fixed hole pitch diameter

M6 Fixing Bolt Size

d2

6.8 mm Fixed hole diameter

na

3 Number of holes in adjacent structures

ta

120 ° Pitch circle separation angle of holes in adjacent structures

b

3 mm Drawing slot width

M6 Lubricate threaded holes

I

17 mm Drawing slot pitch

n

3 Fixed hole pitch

t

120 ° Fixed hole pitch circle separation angle

a

60 ° Contact angle

Temperature range

T min

-30 °C Minimum operating temperature

T max

120 °C Maximum operating temperature