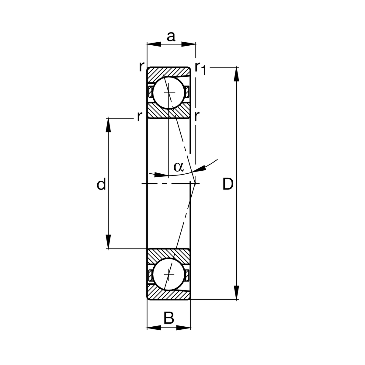
Main Dimensions & Performance Data

d

55 mm

D

80 mm

B

13 mm

Cr

23500 N

Cor

14400 N

Cur

1530 N

Reference speed

26000 rpm

Limiting speed

17000 rpm

Mounting dimensions

da

60 mm Shaft shoulder diameter

rmin

1 mm Minimum chamfer size

da

h12 Shaft shoulder clearance diameter

r1min

1 mm Minimum chamfer size

α

15 ° contact angle

Da

75.5 mm Diameter of outer ring shoulder

Da

H12 Outer ring clearance shoulder diameter

ramax

0.6 mm Maximum cavity radius

ra1max

0.3 mm Maximum cavity radius

Etkmin

62.8 mm Minimum injection pitch diameter

Etkmax

65.1 mm Maximum injection pitch diameter

Etk1min

62.8 mm Minimum injection pitch diameter

Etk1max

65.1 mm Maximum injection pitch diameter

a

15.5 mm Top distance of pressure cone

Temperature range

Tmin

-30 °C Minimum operating temperature

Tmax

100 °C Maximum operating temperature