Japan
Contact
Search Bearing
Engineering Tools
Catalogs & Literature
Model query
Menu
About
CSR
PORTFOLIO
Engineered Bearings
MARKETS
INVESTORS
CAREERS
WORK THAT MATTERS
OUR CULTURE
BENEFITS
NEWS
Home
>
Model
>
Spherical roller bearings
22268-BEA-XL-K-MB1 Spherical Roller Bearings
Request Information
Return to list
VIEW CAD DRAWING
View structure diagram
View structure diagram
DOWNLOADS
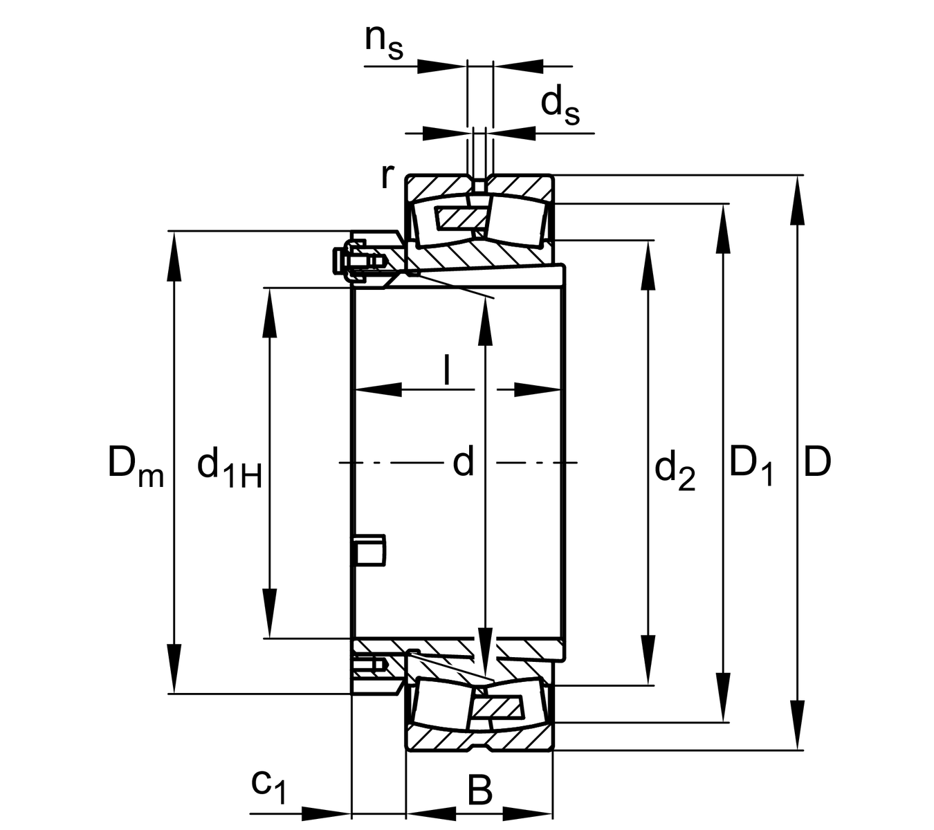
Main Dimensions & Performance Data
d
340 mm
D
620 mm
B
165 mm
Cr
4100000 N
Cor
5600000 N
Cur
460000 N
Reference speed
770 rpm
Limiting speed
1280 rpm
Mounting dimensions
da min
366 mm
Shaft shoulder minimum diameter ,
rmin
6 mm
Minimum chamfer size ,
Da max
594 mm
Maximum diameter of housing shoulder ,
ra max
5 mm
Maximum pocket radius ,
ds
12.5 mm
Lubrication hole diameter ,
ns
23.5 mm
Lubrication groove width
Temperature range
T min
-30 °C
Minimum operating temperature
T max
200 °C
Maximum operating temperature
Calculation coefficient
e
0.26
Fa/Fr corresponds to different X and Y coefficients
Y1
2.62
Axial dynamic load factor
Y2
3.9
Axial dynamic load factor
Y0
2.56
Axial static load factor