Japan
Contact
Search Bearing
Engineering Tools
Catalogs & Literature
Model query
Menu
About
CSR
PORTFOLIO
Engineered Bearings
MARKETS
INVESTORS
CAREERS
WORK THAT MATTERS
OUR CULTURE
BENEFITS
NEWS
Home
>
Model
>
Spherical roller bearings
240/560-BEA-XL-MB1 Spherical Roller Bearings
Request Information
Return to list
VIEW CAD DRAWING
View structure diagram
View structure diagram
DOWNLOADS
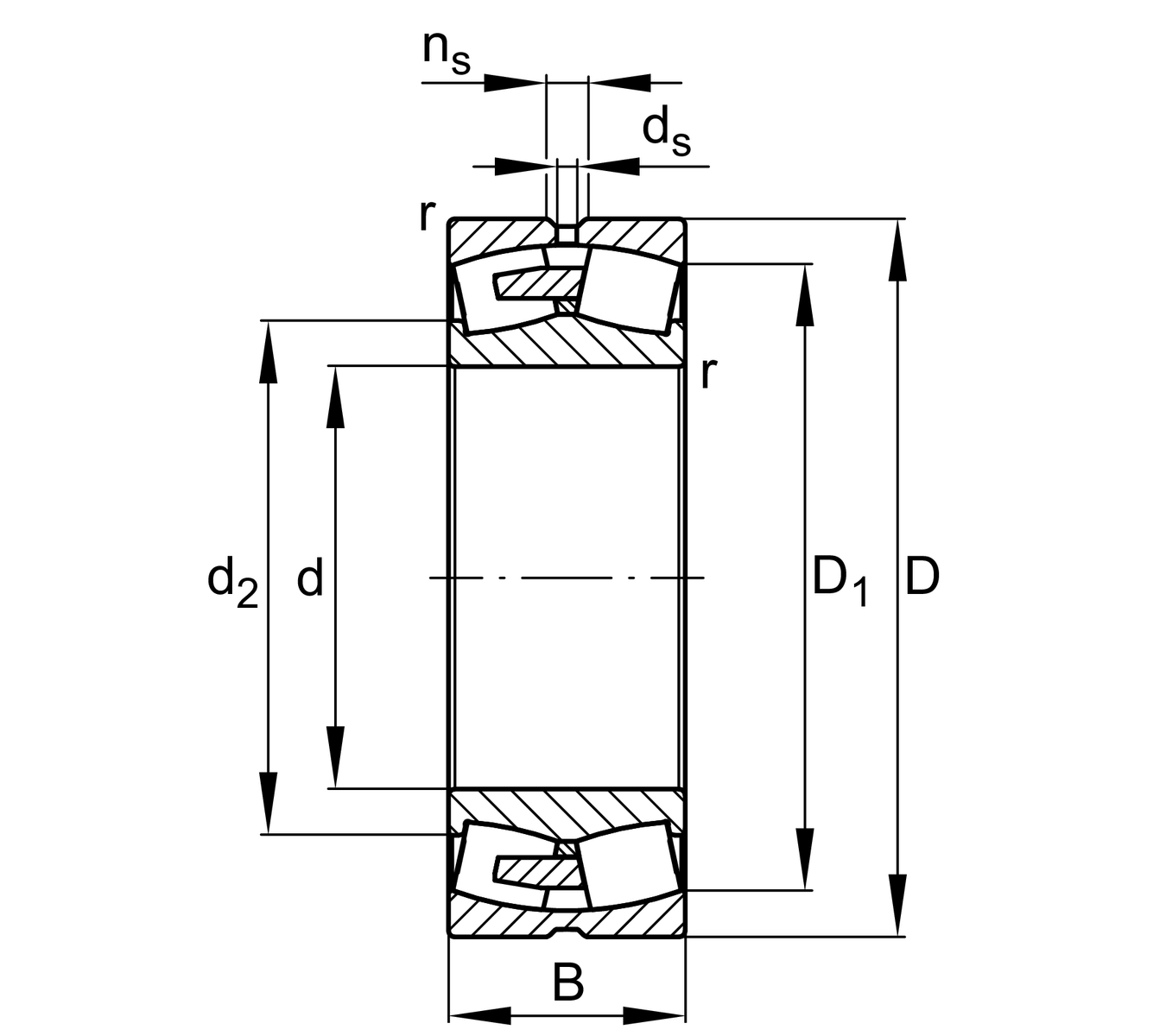
Main Dimensions & Performance Data
d
560 mm
D
820 mm
B
258 mm
Cr
7500000 N
Cor
14600000 N
Cur
1150000 N
Reference speed
315 rpm
Limiting speed
630 rpm
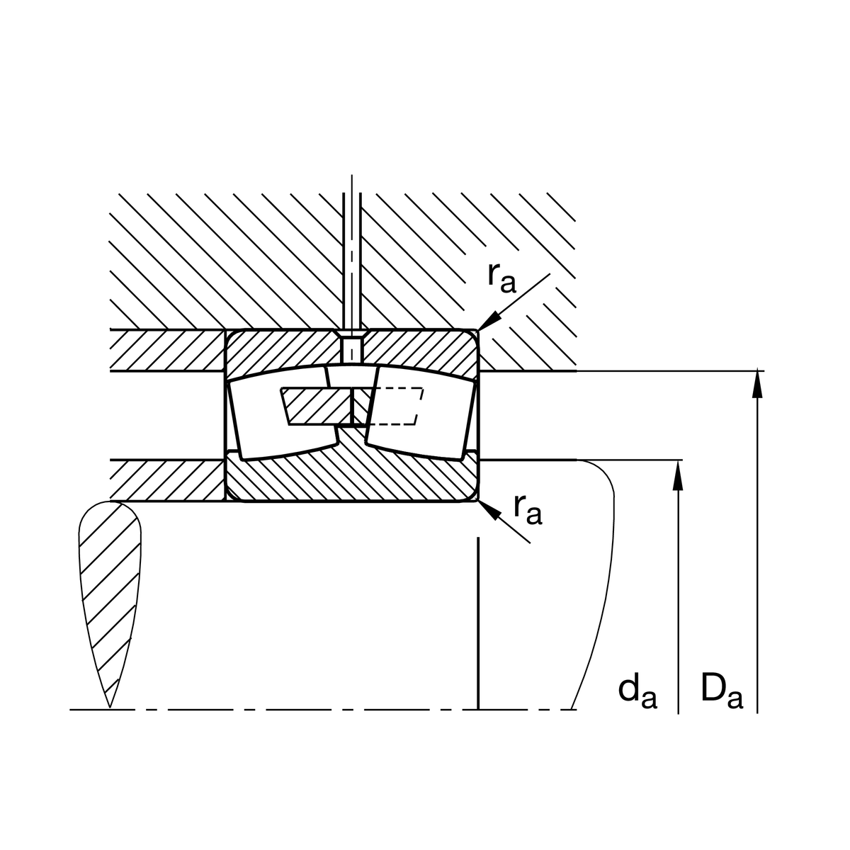
Mounting dimensions
da min
583 mm
Shaft shoulder minimum diameter ,
rmin
6 mm
Minimum chamfer size ,
Da max
797 mm
Maximum diameter of housing shoulder ,
ra max
5 mm
Maximum pocket radius ,
ds
12.5 mm
Lubrication hole diameter ,
ns
23.5 mm
Lubrication groove width
Temperature range
T min
-30 °C
Minimum operating temperature
T max
200 °C
Maximum operating temperature
Calculation coefficient
e
0.28
Fa/Fr corresponds to different X and Y coefficients
Y1
2.39
Axial dynamic load factor
Y2
3.56
Axial dynamic load factor
Y0
2.34
Axial static load factor