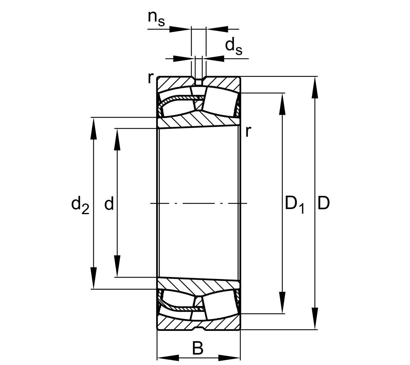
Main Dimensions & Performance Data

d

400 mm

D

650 mm

B

250 mm

Cr

6200000 N

Cor

10600000 N

Cur

790000 N

Reference speed

300 rpm

Limiting speed

800 rpm

Mounting dimensions

da min

426 mm Shaft shoulder minimum diameter

r min

6 mm Minimum chamfer size

D1

556.5 mm Outer ring inner diameter

Da max

624 mm Maximum diameter of housing shoulder

d2

448.8 mm Inner ring raceway diameter

ds

12.5 mm Lubrication hole diameter

ra max

5 mm Maximum pocket radius

ns

23.5 mm Lubrication groove width

Temperature range

T min

-30 °C Minimum operating temperature

T max

200 °C Maximum operating temperature

Calculation coefficient

e

0.37 Fa/Fr corresponds to different X and Y coefficients

Y1

1.82 Axial dynamic load factor

Y2

2.7 Axial dynamic load factor

Y0

1.78 Axial static load factor