Japan
Contact
Search Bearing
Engineering Tools
Catalogs & Literature
Model query
Menu
About
CSR
PORTFOLIO
Engineered Bearings
MARKETS
INVESTORS
CAREERS
WORK THAT MATTERS
OUR CULTURE
BENEFITS
NEWS
Home
>
Model
>
Spherical plain bearing
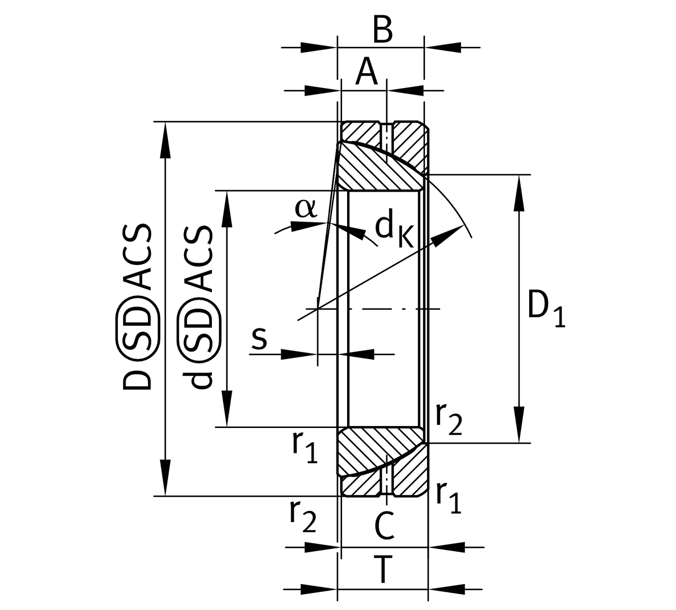
GE190-SX Spherical plain bearing
Request Information
Return to list
VIEW CAD DRAWING
View structure diagram
View structure diagram
DOWNLOADS
Main Dimensions & Performance Data
d
290 mm
D
190 mm
Cr
1370000 N
Cor
6850000 N
Temperature range
T min
-60 °C
Minimum operating temperature
T max
200 °C
Maximum operating temperature