Main Dimensions & Performance Data

d

250 mm

D

382 mm

B

59 mm

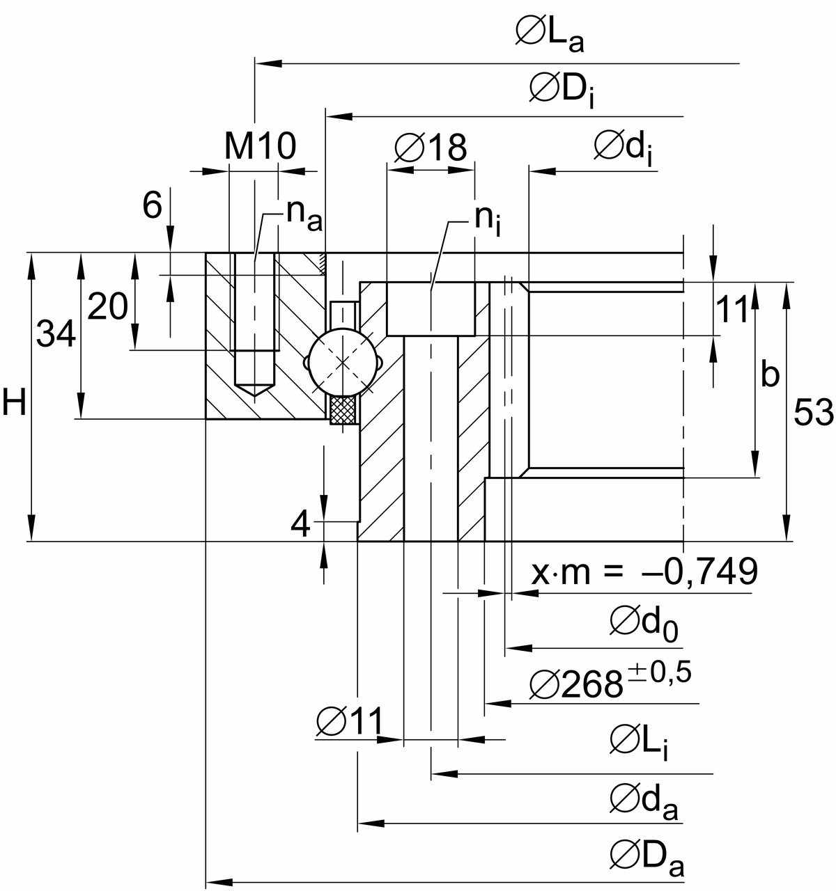
Mounting dimensions

Di

333 mm Inner diameter outer ring

0.057 mm Inner diameter outer ring upper tolerance

0 mm Inner diameter outer ring lower tolerance

La

362 mm Pitchcircle diameter fixing holes outer ring

na

8 Number of fixing holes in outer ring

dB

11 mm Fixing bore

18 mm Counterbore diameter of fixing holes

11 mm Counterbore depth of fixing holes

da

320 mm Outside diameter inner ring

0.04 mm Outside diameter inner ring upper tolerance

0.004 mm Outside diameter inner ring lower tolerance

Li

290 mm Pitchcircle diameter fixing holes inner ring

dBi

M10 Tread fixing bore

Gl

20 mm Thread depth fixing hole

ni

8 Number of fixing holes in inner ring

Fr zul

55,000 N Max. radial friction locking of the screws

m

3.5 mm Modul of gearing

z

73 Number of teeth

-0.749 Profile shift

d0

255.5 mm Pitch circle diameter gearing

b

40 mm Width gearing

d1

268 mm Diameter turning inner ring

0.5 mm Diameter turning inner ring upper tolerance

-0.5 mm Diameter turning inner ring lower tolerance

Fz norm

10,800 N Max. tooth force root fatigue strenght (at a shock factor of 1,2)

Fz max

16,100 N Max. tooth force against tooth fracture (at a shock factor of 1,35)

Temperature range

T min

-25 °C Minimum operating temperature

T max

80 °C Maximum operating temperature

Calculation coefficient

Ca

82,000 N Basic dynamic load rating, axial

C0a

395,000 N Basic static load rating, axial

Cr

74,000 N Basic dynamic load rating, radial (for radial load only)

C0r

158,000 N Basic static load rating, radial (for radial load only)