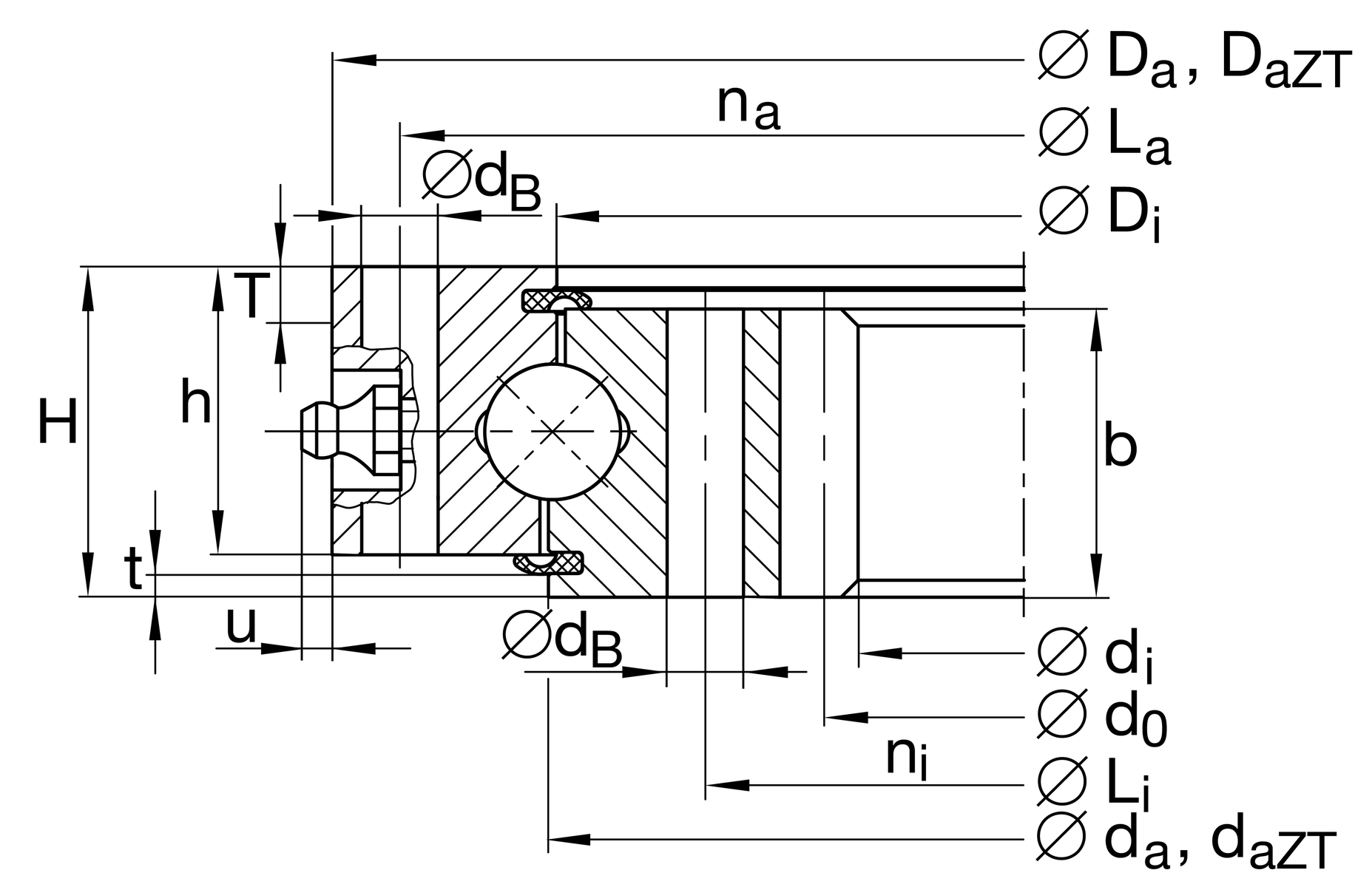
Main Dimensions & Performance Data

d

216 mm

D

340 mm

B

39 mm

Mounting dimensions

Di

287 mm Inner diameter outer ring

La

324 mm Pitchcircle diameter fixing holes outer ring

na

20 Number of fixing holes in outer ring

dB

9 mm Fixing bore

da

289 mm Outside diameter inner ring

Li

252 mm Pitchcircle diameter fixing holes inner ring

ni

20 Number of fixing holes in inner ring

Fr zul

78,000 N Max. radial friction locking of the screws

m

4 mm Modul of gearing

z

56 Number of teeth

d0

224 mm Pitch circle diameter gearing

b

34 mm Width gearing

u

9.5 mm Protrusion lubrication nipple

Fz norm

12,300 N Max. tooth force root fatigue strenght (at a shock factor of 1,2)

Fz max

17,800 N Max. tooth force against tooth fracture (at a shock factor of 1,35)

Temperature range

T min

-25 °C Minimum operating temperature

T max

80 °C Maximum operating temperature

Calculation coefficient

Ca

134,000 N Basic dynamic load rating, axial

C0a

570,000 N Basic static load rating, axial

Cr

122,000 N Basic dynamic load rating, radial (for radial load only)

C0r

260,000 N Basic static load rating, radial (for radial load only)