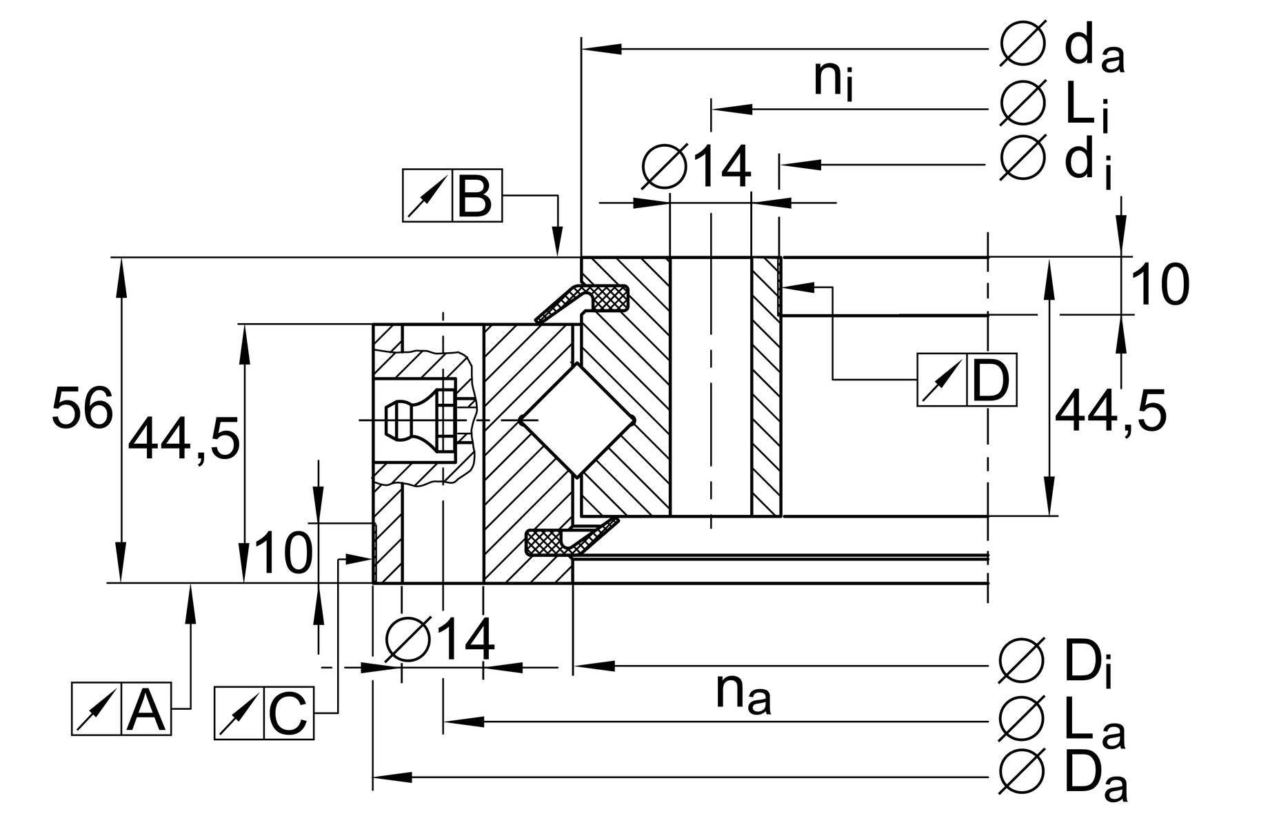
Main Dimensions & Performance Data

D

814 mm

B

56 mm

Mounting dimensions

Di

745 mm Inner diameter outer ring

0.6 mm Inner diameter outer ring upper tolerance limit

0 Inner diameter outer ring lower tolerance limit

ha

44.5 mm outer ring width

La

790 mm Pitch diameter fixing hole outer ring

na

40 Number of outer ring fixing holes

da

743 mm Outer diameter

0 mm Tolerance on outer diameter inner ring

-0.6 mm Outer diameter inner ring lower tolerance

hi

44.5 mm single ring height

dB

14 mm fixing hole

Li

698 mm Pitch circle diameter fixing hole inner ring

ni

40 Number of inner ring fixing holes

VSP min

0.01 mm Minimum bearing preload

VSP max

0.04 mm Maximum bearing preload

0.05 mm Running accuracy A (related to raceway)

0.05 mm Running accuracy B (related to raceway)

0.09 mm Running accuracy C (related to raceway)

0.08 mm Running accuracy D (related to raceway)

Temperature range

T min

-30 °C Minimum operating temperature

T max

80 °C Maximum operating temperature

Calculation coefficient

Ca

275,000 N Basic dynamic load rating, axial

Cr

195,000 N Basic dynamic load rating, radial (for radial load only)

C0a

970,000 N Basic static load rating, axial

C0r

475,000 N Basic static load rating, radial (for radial load only)

nG

51 1/min Limiting speed

Fr zu.

142,000 N Max. radial load screws