Main Dimensions & Performance Data

d

384 mm

D

646 mm

B

86 mm

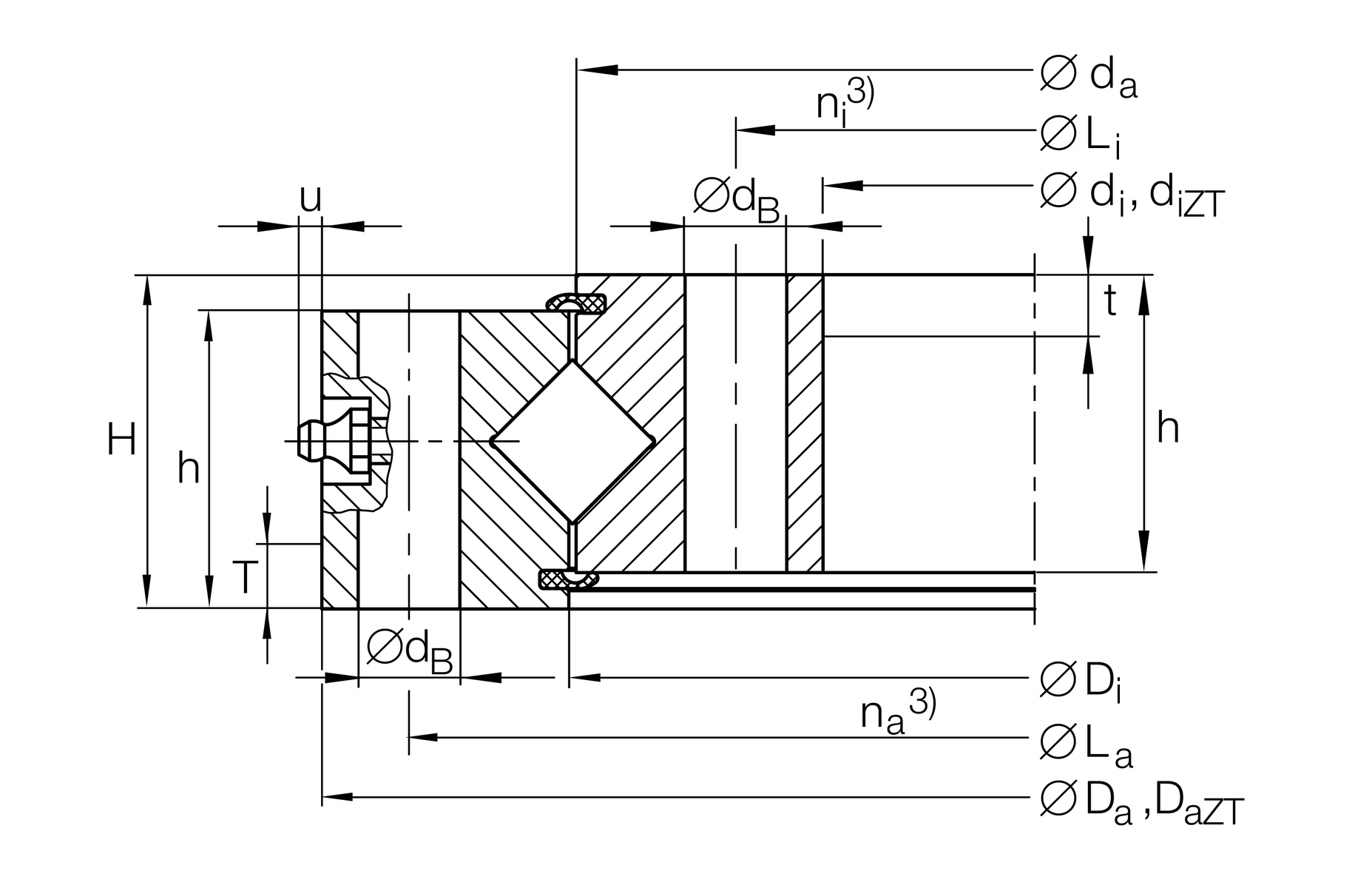
Mounting dimensions

Di

516 mm Inner diameter outer ring

ha

79 mm outer ring width

La

598 mm Pitch diameter fixing hole outer ring

na

18 Number of outer ring fixing holes

da

514 mm Outer diameter

hi

79 mm single ring height

dB

26 mm fixing hole

Li

432 mm Pitch circle diameter fixing hole inner ring

ni

18 Number of inner ring fixing holes

VSP min

0 mm Minimum bearing preload

VSP max

0.03 mm Maximum bearing preload

Temperature range

T min

-30 °C Minimum operating temperature

T max

80 °C Maximum operating temperature

Calculation coefficient

Ca

650,000 N Basic dynamic load rating, axial

Cr

460,000 N Basic dynamic load rating, radial (for radial load only)

C0a

1,300,000 N Basic static load rating, axial

C0r

640,000 N Basic static load rating, radial (for radial load only)

Fr zu.

255,000 N Max. radial load screws