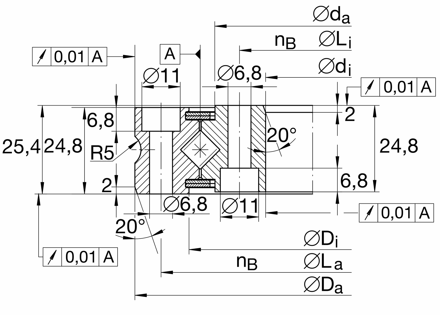
Main Dimensions & Performance Data

d

280 mm

D

355 mm

B

25.4 mm

Mounting dimensions

Di

324 mm Inner diameter outer ring

ha

24.8 mm outer ring width

La

340 mm Pitch diameter fixing hole outer ring

na

28 Number of outer ring fixing holes

da

309 mm Outer diameter

hi

24.8 mm single ring height

dB

6.8 mm fixing hole

dS

11 mm diameter of fixing hole

tS

6.8 mm fixing hole depth

Li

295 mm Pitch circle diameter fixing hole inner ring

ni

28 Number of inner ring fixing holes

r groove

5 mm groove radius

0.01 mm Running accuracy A (related to raceway)

Temperature range

T min

-30 °C Minimum operating temperature

T max

80 °C Maximum operating temperature

Calculation coefficient

Ca

93,000 N Basic dynamic load rating, axial

Cr

66,000 N Basic dynamic load rating, radial (for radial load only)

C0a

465,000 N Basic static load rating, axial

C0r

227,000 N Basic static load rating, radial (for radial load only)

nG

120 1/min Limiting speed

Fr zu.

19,100 N Max. radial load screws