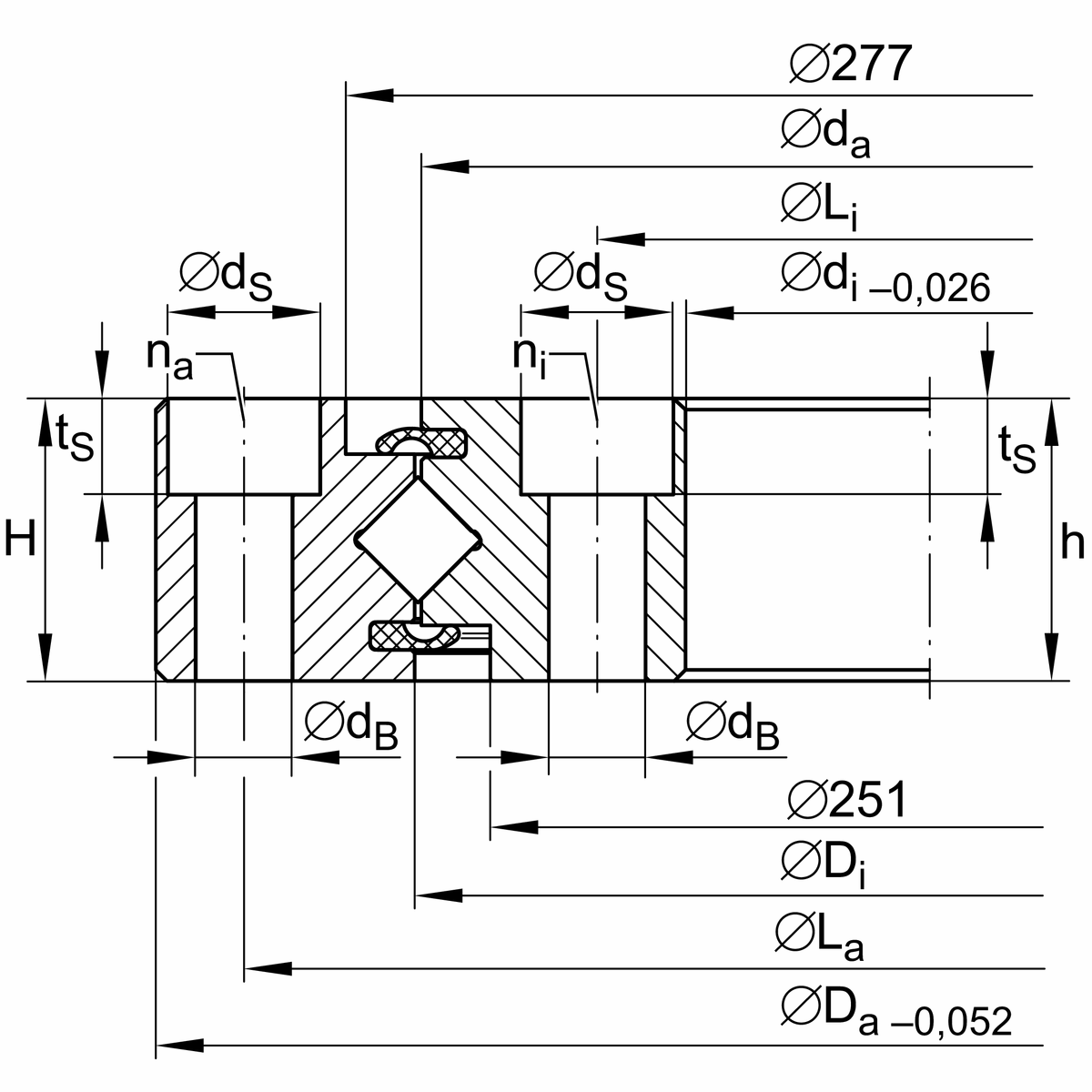
Main Dimensions & Performance Data

d

215.9 mm

D

311 mm

B

25.4 mm

Mounting dimensions

Di

264.6 mm Inner diameter outer ring

ha

25.4 mm outer ring width

La

295.3 mm Pitch diameter fixing hole outer ring

na

12 Number of outer ring fixing holes

da

263.4 mm Outer diameter

hi

25.4 mm single ring height

dB

8.7 mm fixing hole

dS

13.7 mm diameter of fixing hole

tS

8.6 mm fixing hole depth

Li

231.8 mm Pitch circle diameter fixing hole inner ring

ni

12 Number of inner ring fixing holes

VSP min

0 mm Minimum bearing preload

VSP max

0.02 mm Maximum bearing preload

Temperature range

T min

-30 °C Minimum operating temperature

T max

80 °C Maximum operating temperature

Calculation coefficient

Ca

79,000 N Basic dynamic load rating, axial

Cr

56,000 N Basic dynamic load rating, radial (for radial load only)

C0a

148,000 N Basic static load rating, axial

C0r

73,000 N Basic static load rating, radial (for radial load only)

Fr zu.

27,500 N Max. radial load screws