Main Dimensions & Performance Data

d

101.6 mm

D

196.85 mm

B

22.22 mm

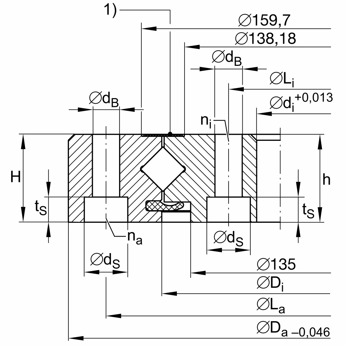
Mounting dimensions

Di

149.6 mm Inner diameter outer ring

La

177.8 mm Pitch diameter fixing hole outer ring

na

16 Number of outer ring fixing holes

hi

22.22 mm single ring height

dB

6.9 mm fixing hole

dS

11 mm diameter of fixing hole

tS

6.35 mm fixing hole depth

Li

115.8 mm Pitch circle diameter fixing hole inner ring

ni

16 Number of inner ring fixing holes

VSP min

0.005 mm Minimum bearing preload

VSP max

0.02 mm Maximum bearing preload

Temperature range

T min

-30 °C Minimum operating temperature

T max

80 °C Maximum operating temperature

Calculation coefficient

Ca

55,000 N Basic dynamic load rating, axial

Cr

39,000 N Basic dynamic load rating, radial (for radial load only)

C0a

77,000 N Basic static load rating, axial

C0r

37,500 N Basic static load rating, radial (for radial load only)

Fr zu.

10,900 N Max. radial load screws