Main Dimensions & Performance Data

d

69 mm

D

170 mm

B

30 mm

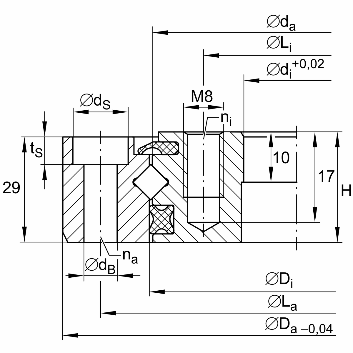
Mounting dimensions

ha

29 mm outer ring width

La

148 mm Pitch diameter fixing hole outer ring

na

6 Number of outer ring fixing holes

dB

9 mm fixing hole

dS

15 mm diameter of fixing hole

tS

9 mm fixing hole depth

Li

90 mm Pitch circle diameter fixing hole inner ring

ni

6 Number of inner ring fixing holes

M8 Tread fixing hole

tG

17 mm Thread depth

VSP min

0.005 mm Minimum bearing preload

VSP max

0.008 mm Maximum bearing preload

Temperature range

T min

-30 °C Minimum operating temperature

T max

80 °C Maximum operating temperature

Calculation coefficient

Ca

49,000 N Basic dynamic load rating, axial

Cr

35,000 N Basic dynamic load rating, radial (for radial load only)

C0a

62,000 N Basic static load rating, axial

C0r

30,500 N Basic static load rating, radial (for radial load only)

Fr zu.

9,100 N Max. radial load screws