Main Dimensions & Performance Data

d

380 mm

D

480 mm

B

26 mm

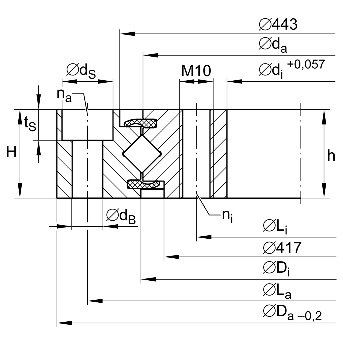
Mounting dimensions

Di

430.6 mm Inner diameter outer ring

La

462 mm Pitch diameter fixing hole outer ring

na

20 Number of outer ring fixing holes

da

429.4 mm Outer diameter

hi

26 mm single ring height

dB

9 mm fixing hole

dS

15 mm diameter of fixing hole

tS

9 mm fixing hole depth

Li

398 mm Pitch circle diameter fixing hole inner ring

ni

20 Number of inner ring fixing holes,M10Tread fixing hole

VSP min

0 mm Minimum bearing preload

VSP max

0.02 mm Maximum bearing preload

Temperature range

T min

-30 °C Minimum operating temperature

T max

80 °C Maximum operating temperature

Calculation coefficient

Ca

96,000 N Basic dynamic load rating, axial

Cr

68,000 N Basic dynamic load rating, radial (for radial load only)

C0a

345,000 N Basic static load rating, axial

C0r

168,000 N Basic static load rating, radial (for radial load only)

Fr zu.

50,000 N Max. radial load screws