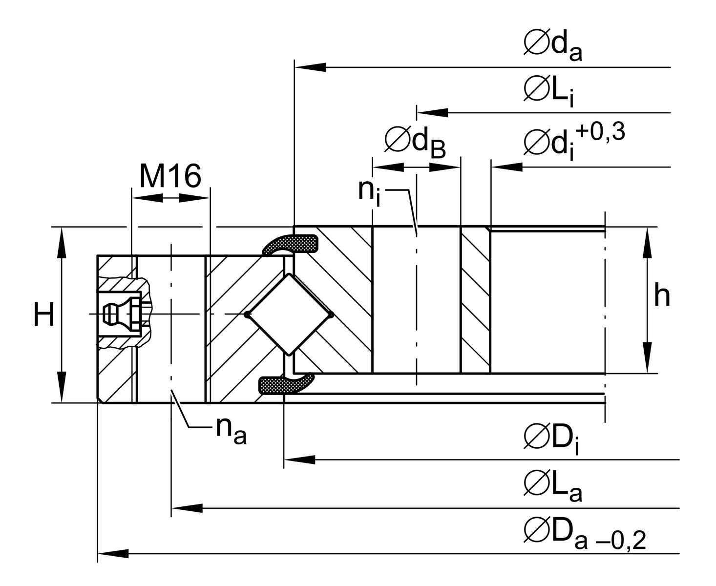
Di
|
224 mm
|
Inner diameter outer ring
|
ha
|
30 mm
|
outer ring width
|
La
|
270 mm
|
Pitch diameter fixing hole outer ring
|
na
|
12
|
Number of outer ring fixing holes
|
da
|
220 mm
|
Outer diameter
|
hi
|
30 mm
|
single ring height
|
dB
|
18 mm
|
fixing hole
|
Li
|
170 mm
|
Pitch circle diameter fixing hole inner ring
|
ni
|
12
|
Number of inner ring fixing holes
|
|
M16
|
Tread fixing hole
|
|
0.01
|
Normal radial clearance minimum
|
|
0.03
|
Normal radial clearance maximum
|
|
0.02
|
Normal axial tilt clearance minimum
|
|
0.06
|
Normal axial tilt clearance max.
|