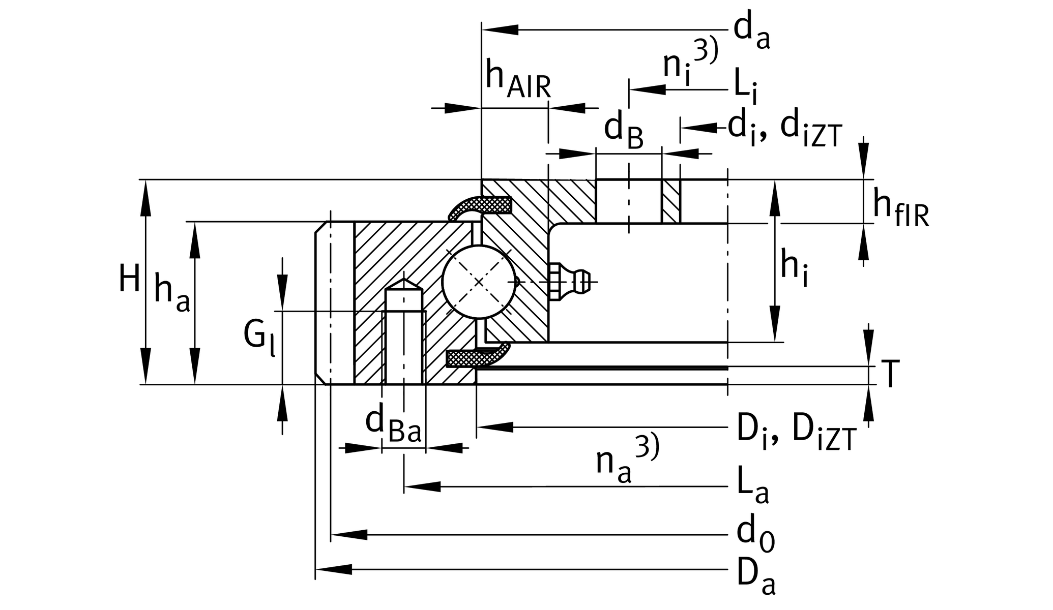
Main Dimensions & Performance Data

D

640.3 mm

B

56 mm

Mounting dimensions

Di

545.5 mm inner diameter outer ring

0.5 mm Inner diameter outer ring upper tolerance

0 mm Inner diameter outer ring lower tolerance

da

542.5 mm Outside diameter inner ring

0 mm Outside diameter inner ring upper tolerance

-0.5 mm Outside diameter inner ring lower tolerance

ni

14 Number of fixing holes in inner ring

Li

462 mm Pitchcircle diameter fixing holes inner ring

dB

18 mm Fixing bore

na

14 Number of fixing holes in outer ring

La

585 mm Pitchcircle diameter fixing holes outer ring

dBa

M12 Tread fixing bore

Gl

20 mm Thread depth fixing hole

hAIR

20 mm Ring cross section

Fr zul

67,000 N Max. radial load screws

d0

630 mm Pitch circle diameter gearing

m

6 mm Modul of gearing

z

105 Number of teeth

Fz norm

21,300 N Max. tooth force root fatigue strenght (at a shock factor of 1,2)

Fz max

31,500 N Max. tooth force against tooth fracture (at a shock factor of 1,35)

Temperature range

T min

-25 °C Minimum operating temperature

T max

80 °C Maximum operating temperature

Calculation coefficient

Ca

152,000 N Basic dynamic load rating, axial

C0a

385,000 N Basic static load rating, axial

Cr

138,000 N Basic dynamic load rating, radial (for radial load only)

C0r

144,000 N Basic static load rating, radial (for radial load only)