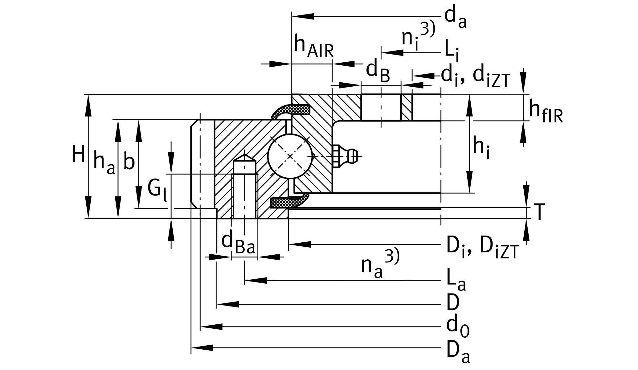
Main Dimensions & Performance Data

D

503.3 mm

B

56 mm

Mounting dimensions

da

412.5 mm Outside diameter inner ring

0 mm Outside diameter inner ring upper tolerance

-0.5 mm Outside diameter inner ring lower tolerance

ni

12 Number of fixing holes in inner ring

Li

332 mm Pitchcircle diameter fixing holes inner ring

dB

18 mm Fixing bore

na

10 Number of fixing holes in outer ring

La

455 mm Pitchcircle diameter fixing holes outer ring

d Ba

M12 Tread fixing bore

Gl

20 mm Thread depth fixing hole

h AIR

20 mm Ring cross section

Fr zul

51,000 N Max. radial load screws

d0

495 mm Pitch circle diameter gearing

m

5 mm Modul of gearing

z

99 Number of teeth

b

40 mm Width gearing

D

480 mm Offset diameter outer ring

0 mm Offset diameter outer ring upper tolerance

-0.5 mm Offset diameter outer ring lower tolerance

Fz norm

15,900 N Max. tooth force root fatigue strenght (at a shock factor of 1,2)

Fz max

23,600 N Max. tooth force against tooth fracture (at a shock factor of 1,35)

Temperature range

T min

-25 °C Minimum operating temperature

T max

80 °C Maximum operating temperature

Calculation coefficient

Ca

137,000 N Basic dynamic load rating, axial

C0a

295,000 N Basic static load rating, axial

Cr

124,000 N Basic dynamic load rating, radial (for radial load only)

C0r

110,000 N Basic static load rating, radial (for radial load only)