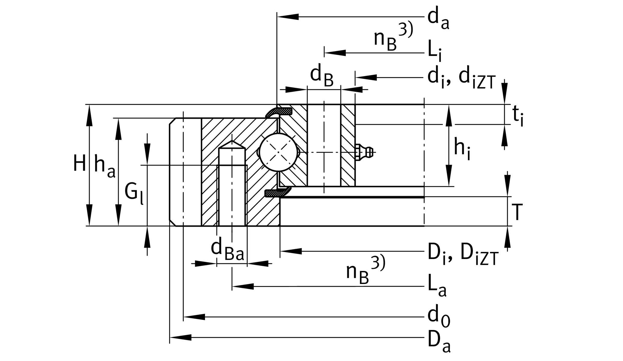
Main Dimensions & Performance Data

d

1022 mm

D

1198.1 mm

B

56 mm

Mounting dimensions

Di

1,095.5 mm inner diameter outer ring

0.7 mm Inner diameter outer ring upper tolerance

0 mm Inner diameter outer ring lower tolerance

da

1,092.5 mm Outside diameter inner ring

0 mm Outside diameter inner ring upper tolerance

-0.7 mm Outside diameter inner ring lower tolerance

ni

48 Number of fixing holes in inner ring

Li

1,048 mm Pitchcircle diameter fixing holes inner ring

dB

14 mm Fixing bore

na

44 Number of fixing holes in outer ring

La

1,135 mm Pitchcircle diameter fixing holes outer ring

dBa

M12 Tread fixing bore

Gl

20 mm Thread depth fixing hole

Fr zul

211,000 N Max. radial load screws

d0

1,184 mm Pitch circle diameter gearing

m

8 mm Modul of gearing

z

148 Number of teeth

-0.119 Profile shift

Fz norm

28,300 N Max. tooth force root fatigue strenght (at a shock factor of 1,2)

Fz max

42,000 N Max. tooth force against tooth fracture (at a shock factor of 1,35)

Temperature range

T min

-25 °C Minimum operating temperature

T max

80 °C Maximum operating temperature

Calculation coefficient

Ca

198,000 N Basic dynamic load rating, axial

C0a

1,770,000 N Basic static load rating, axial

Cr

179,000 N Basic dynamic load rating, radial (for radial load only)

C0r

810,000 N Basic static load rating, radial (for radial load only)