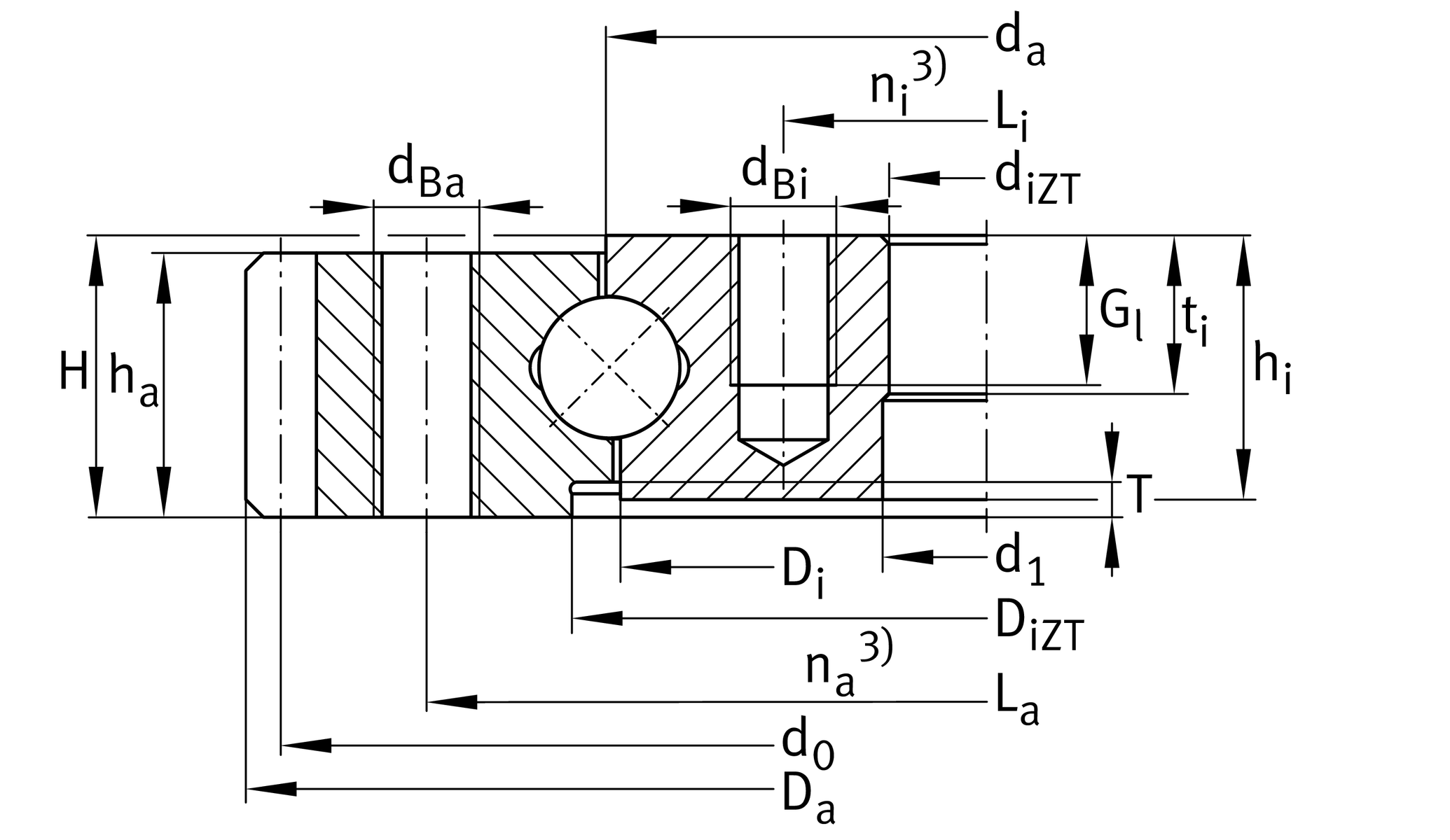
Main Dimensions & Performance Data

d

240 mm

D

384 mm

B

32 mm

Mounting dimensions

da

302.3 mm Outside diameter inner ring

ni

20 Number of fixing holes in inner ring

Li

262 mm Pitchcircle diameter fixing holes inner ring

na

20 Number of fixing holes in outer ring

La

343 mm Pitchcircle diameter fixing holes outer ring

dBa

M12 Tread fixing bore

Gl

18 mm Thread depth fixing hole

Fr zul

81,000 N Max. radial load screws

d0

376 mm Pitch circle diameter gearing

m

4 mm Modul of gearing

z

94 Number of teeth

b

30 mm Width gearing

Fz norm

11,000 N Max. tooth force root fatigue strenght (at a shock factor of 1,2)

Fz max

16,100 N Max. tooth force against tooth fracture (at a shock factor of 1,35)

Temperature range

T min

-25 °C Minimum operating temperature

T max

80 °C Maximum operating temperature

Calculation coefficient

Ca

136,000 N Basic dynamic load rating, axial

C0a

590,000 N Basic static load rating, axial

Cr

123,000 N Basic dynamic load rating, radial (for radial load only)

C0r

270,000 N Basic static load rating, radial (for radial load only)