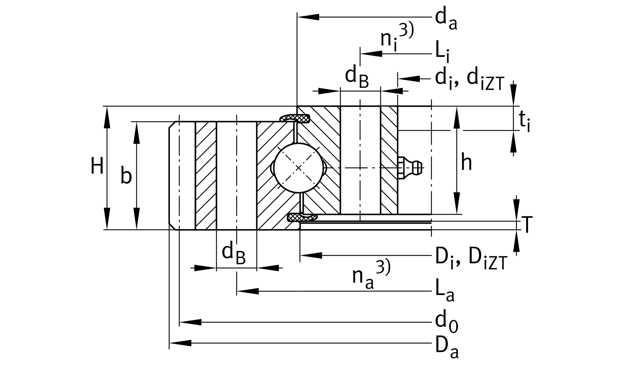
Main Dimensions & Performance Data

d

235 mm

D

408.4 mm

B

60 mm

Mounting dimensions

Di

308 mm inner diameter outer ring

da

310 mm Outside diameter inner ring

ni

24 Number of fixing holes in inner ring

Li

259 mm Pitchcircle diameter fixing holes inner ring

dB

13 mm Fixing bore

na

24 Number of fixing holes in outer ring

La

359 mm Pitchcircle diameter fixing holes outer ring

Fr zul

86,000 N Max. radial load screws

d0

400 mm Pitch circle diameter gearing

m

5 mm Modul of gearing

z

80 Number of teeth

b

52.5 mm Width gearing

Fz norm

12,900 N Max. tooth force root fatigue strenght (at a shock factor of 1,2)

Fz max

18,800 N Max. tooth force against tooth fracture (at a shock factor of 1,35)

Temperature range

T min

-25 °C Minimum operating temperature

T max

80 °C Maximum operating temperature

Calculation coefficient

Ca

255,000 N Basic dynamic load rating, axial

C0a

640,000 N Basic static load rating, axial

Cr

232,000 N Basic dynamic load rating, radial (for radial load only)

C0r

295,000 N Basic static load rating, radial (for radial load only)