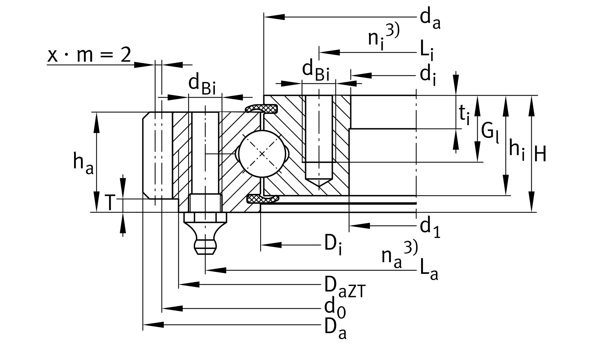
Main Dimensions & Performance Data

d

136 mm

D

259.36 mm

B

35 mm

Mounting dimensions

Di

189 mm inner diameter outer ring

da

187 mm Outside diameter inner ring

ni

16 Number of fixing holes in inner ring

Li

154 mm Pitchcircle diameter fixing holes inner ring

na

16 Number of fixing holes in outer ring

La

222 mm Pitchcircle diameter fixing holes outer ring

dBa

M10 Tread fixing bore

Gl

20 mm Thread depth fixing hole

Fr zul

143,000 N Max. radial load screws

d0

248 mm Pitch circle diameter gearing

m

4 mm Modul of gearing

z

62 Number of teeth

2 Profile shift

b

26 mm Width gearing

Fz norm

10,400 N Max. tooth force root fatigue strenght (at a shock factor of 1,2)

F z max

15,300 N Max. tooth force against tooth fracture (at a shock factor of 1,35)

Temperature range

T min

-25 °C Minimum operating temperature

T max

80 °C Maximum operating temperature

Calculation coefficient

Ca

93,000 N Basic dynamic load rating, axial

C0a

670,000 N Basic static load rating, axial

Cr

84,000 N Basic dynamic load rating, radial (for radial load only)

C0r

270,000 N Basic static load rating, radial (for radial load only)