Main Dimensions & Performance Data

d

468 mm

D

680 mm

B

68 mm

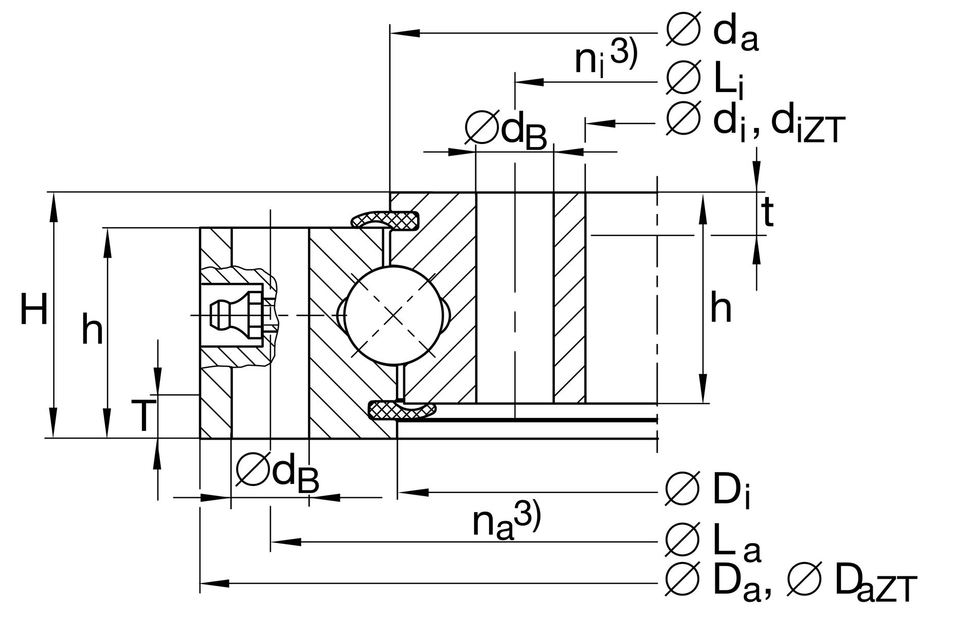
Mounting dimensions

Di

572 mm Inner diameter outer ring

da

576 mm Outside diameter inner ring

dB

22 mm Fixing bore

La

640 mm Pitchcircle diameter fixing holes outer ring

na

20 Number of fixing holes in outer ring

Li

508 mm Pitchcircle diameter fixing holes inner ring

ni

20 Number of fixing holes in inner ring

Fr zul

203,000 N Max. radial load screws

Temperature range

T min

-25 °C Minimum operating temperature

T max

80 °C Maximum operating temperature

Calculation coefficient

Ca

425,000 N Basic dynamic load rating, axial

Cr

385,000 N Basic dynamic load rating, radial (for radial load only)

C0r

690,000 N Basic static load rating, radial (for radial load only)

C0a

1,510,000 N Basic static load rating, axial