Main Dimensions & Performance Data

d

270 mm

D

380 mm

B

35 mm

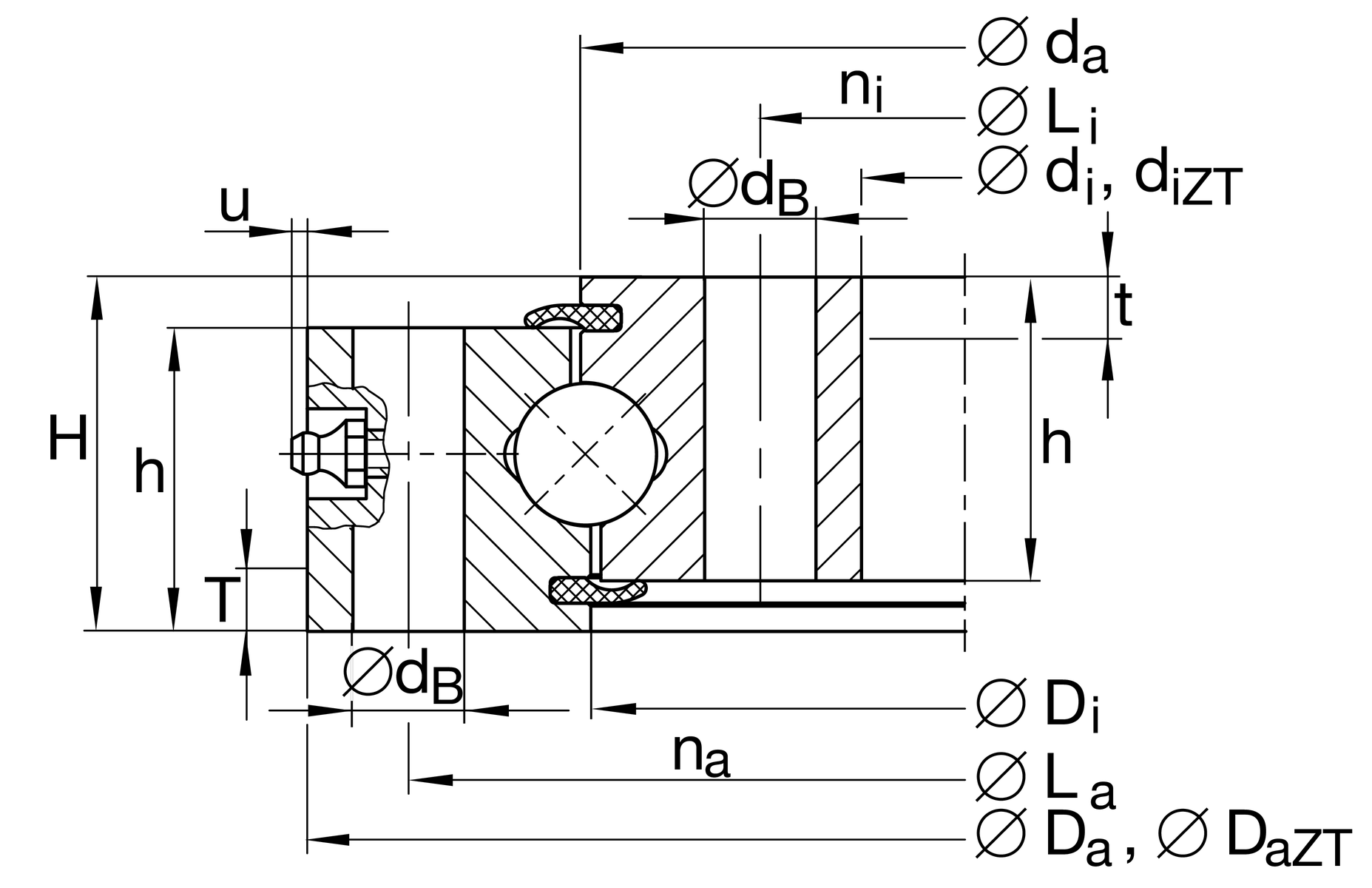
Mounting dimensions

Di

324 mm Inner diameter outer ring

da

326 mm Outside diameter inner ring

dB

11 mm Fixing bore

La

360 mm Pitchcircle diameter fixing holes outer ring

na

24 Number of fixing holes in outer ring

Li

290 mm Pitchcircle diameter fixing holes inner ring

ni

24 Number of fixing holes in inner ring

Fr zul

95,000 N Max. radial load screws

umax

3 mm Max. protrusion lubrication nipple

Temperature range

T min

-25 °C Minimum operating temperature

T max

80 °C Maximum operating temperature

Calculation coefficient

Ca

115,000 N Basic dynamic load rating, axial

Cr

104,000 N Basic dynamic load rating, radial (for radial load only)

C0r

310,000 N Basic static load rating, radial (for radial load only)

C0a

670,000 N Basic static load rating, axial