Main Dimensions & Performance Data

d

332 mm

D

486 mm

B

39 mm

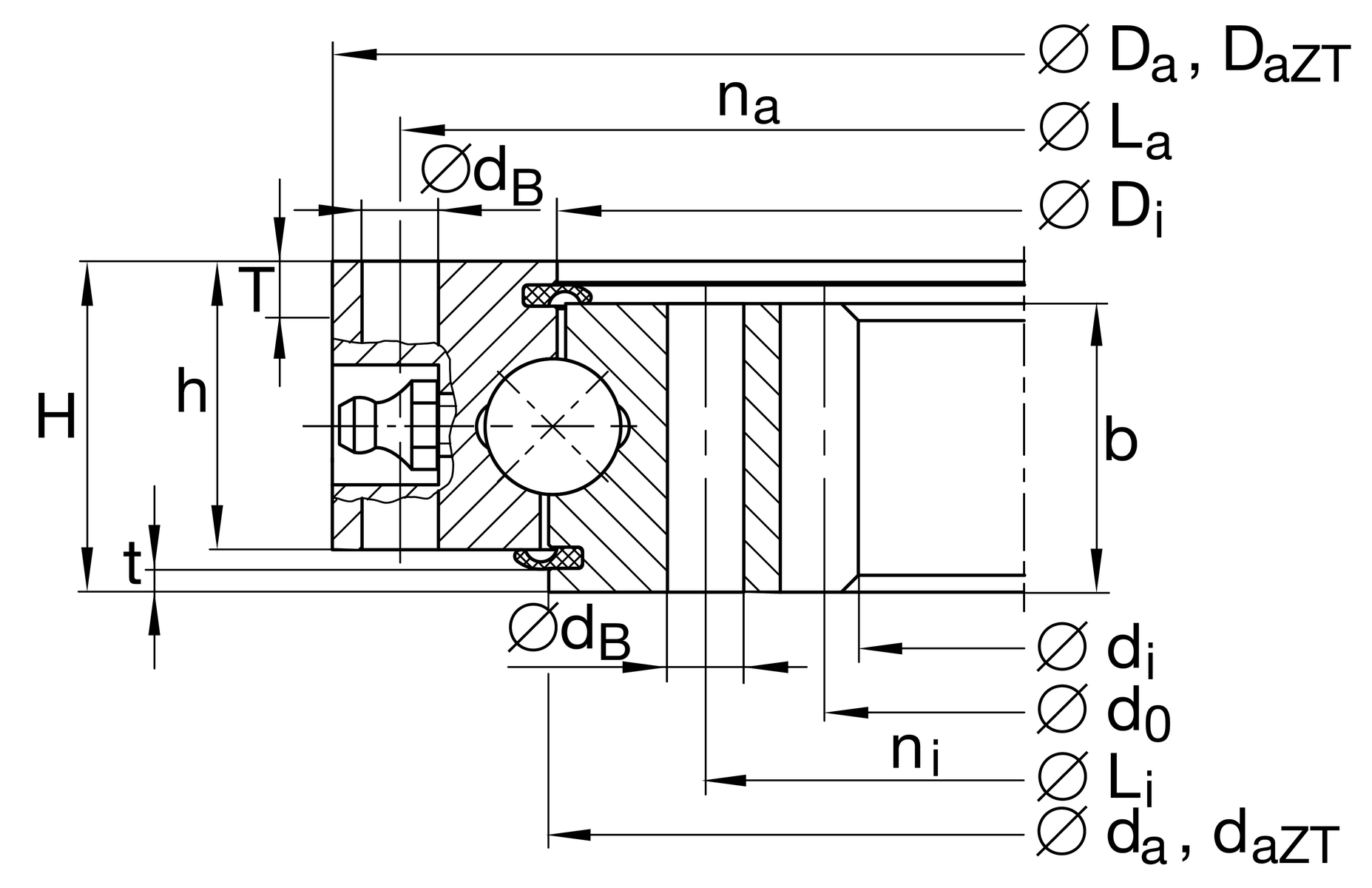
Mounting dimensions

Di

419 mm Inner diameter outer ring

La

462 mm Pitchcircle diameter fixing holes outer ring

na

16 Number of fixing holes in outer ring

dB

14 mm Fixing bore

da

421 mm Outside diameter inner ring

Li

378 mm Pitchcircle diameter fixing holes inner ring

ni

16 Number of fixing holes in inner ring

Fr zul

117,000 N Max. radial friction locking of the screws

m

4 mm Modul of gearing

z

85 Number of teeth

d0

340 mm Pitch circle diameter gearing

b

34 mm Width gearing

Fz norm

12,300 N Max. tooth force root fatigue strenght (at a shock factor of 1,2)

Fz max

17,800 N Max. tooth force against tooth fracture (at a shock factor of 1,35)

Temperature range

T min

-25 °C Minimum operating temperature

T max

80 °C Maximum operating temperature

Calculation coefficient

Ca

167,000 N Basic dynamic load rating, axial

C0a

850,000 N Basic static load rating, axial

Cr

151,000 N Basic dynamic load rating, radial (for radial load only)

C0r

390,000 N Basic static load rating, radial (for radial load only)