Japan
Contact
Search Bearing
Engineering Tools
Catalogs & Literature
Model query
Menu
About
CSR
PORTFOLIO
Engineered Bearings
MARKETS
INVESTORS
CAREERS
WORK THAT MATTERS
OUR CULTURE
BENEFITS
NEWS
Home
>
Model
>
Self aligning ball bearing
QJ304-XL-TVP Four point contact ball bearing
Request Information
Return to list
VIEW CAD DRAWING
View structure diagram
View structure diagram
DOWNLOADS
Main Dimensions & Performance Data
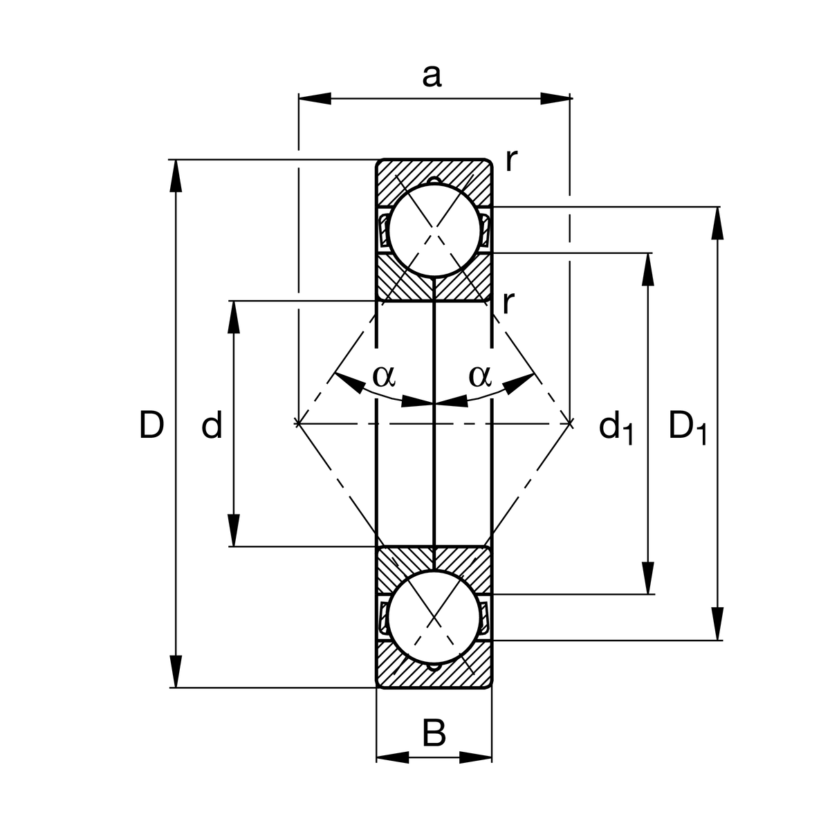
d
20 mm
D
52 mm
B
15 mm
Cr
31000 N
Cor
19600 N
Cur
1360 N
Limiting speed
19000 rpm
Mounting dimensions
damin
27 mm
轴挡肩最小直径
rmin
1.1 mm
最小倒角尺寸
D1
41.4 mm
内圈档边直径
Damax
45 mm
轴承座挡肩最大直径
d1
30.6 mm
内圈档边直径
ramax
1 mm
最大凹穴半径
a
26 mm
压力锥顶距
α
35 °
接触角
Temperature range
Tmin
-30 °C
最低工作温度
Tmax
120 °C
最高工作温度