Japan
Contact
Search Bearing
Engineering Tools
Catalogs & Literature
Model query
Menu
About
CSR
PORTFOLIO
Engineered Bearings
MARKETS
INVESTORS
CAREERS
WORK THAT MATTERS
OUR CULTURE
BENEFITS
NEWS
Home
>
Model
>
Self aligning ball bearing
CSXG180 Four point contact ball bearing
Request Information
Return to list
VIEW CAD DRAWING
View structure diagram
View structure diagram
DOWNLOADS
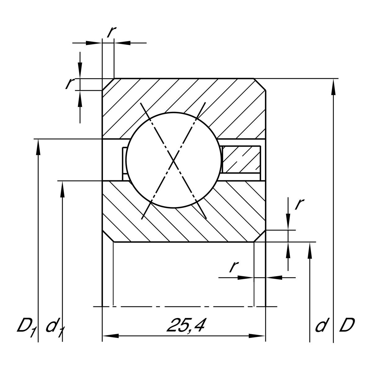
Main Dimensions & Performance Data
d
457.2 mm
D
508 mm
B
25.4 mm
Cr
85000 N
Cor
219000 N
Limiting speed
510 rpm
Mounting dimensions
rmin
2 mm
Minimum chamfer dimension
d1
476.1 mm 内圈挡肩直径 ,
D1
489.2 mm 外圈挡肩直径 ,
α
30 °
Contact angle
Temperature range
Tmin
-30 °C
最低工作温度
Tmax
120 °C
最高工作温度