Japan
Contact
Search Bearing
Engineering Tools
Catalogs & Literature
Model query
Menu
About
CSR
PORTFOLIO
Engineered Bearings
MARKETS
INVESTORS
CAREERS
WORK THAT MATTERS
OUR CULTURE
BENEFITS
NEWS
Home
>
Model
>
Self aligning ball bearing
QJ1076-N2-MPA-C3 Four point contact ball bearing
Request Information
Return to list
VIEW CAD DRAWING
View structure diagram
View structure diagram
DOWNLOADS
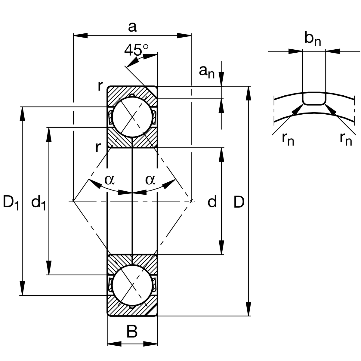
Main Dimensions & Performance Data
d
380 mm
D
560 mm
B
82 mm
Cr
790000 N
Cor
1790000 N
Cur
43000 N
Limiting speed
1900 rpm
Mounting dimensions
damin
398 mm
轴挡肩最小直径
rmin
5 mm
最小倒角尺寸
D1
497 mm
内圈档边直径
Damax
542 mm
轴承座挡肩最大直径
d1
443 mm
内圈档边直径
ramax
4 mm
最大凹穴半径
a
329 mm
压力锥顶距
an
15 mm
定位槽高度
bn
12.5 mm
定位槽宽度
rn
2.5 mm
定位槽半径
45 °
角定位槽
α
35 °
接触角
Temperature range
Tmin
-30 °C
最低工作温度
Tmax
200 °C
最高工作温度