Japan
Contact
Search Bearing
Engineering Tools
Catalogs & Literature
Model query
Menu
About
CSR
PORTFOLIO
Engineered Bearings
MARKETS
INVESTORS
CAREERS
WORK THAT MATTERS
OUR CULTURE
BENEFITS
NEWS
Home
>
Model
>
Self aligning ball bearing
CSXB055 Four point contact ball bearing
Request Information
Return to list
VIEW CAD DRAWING
View structure diagram
View structure diagram
DOWNLOADS
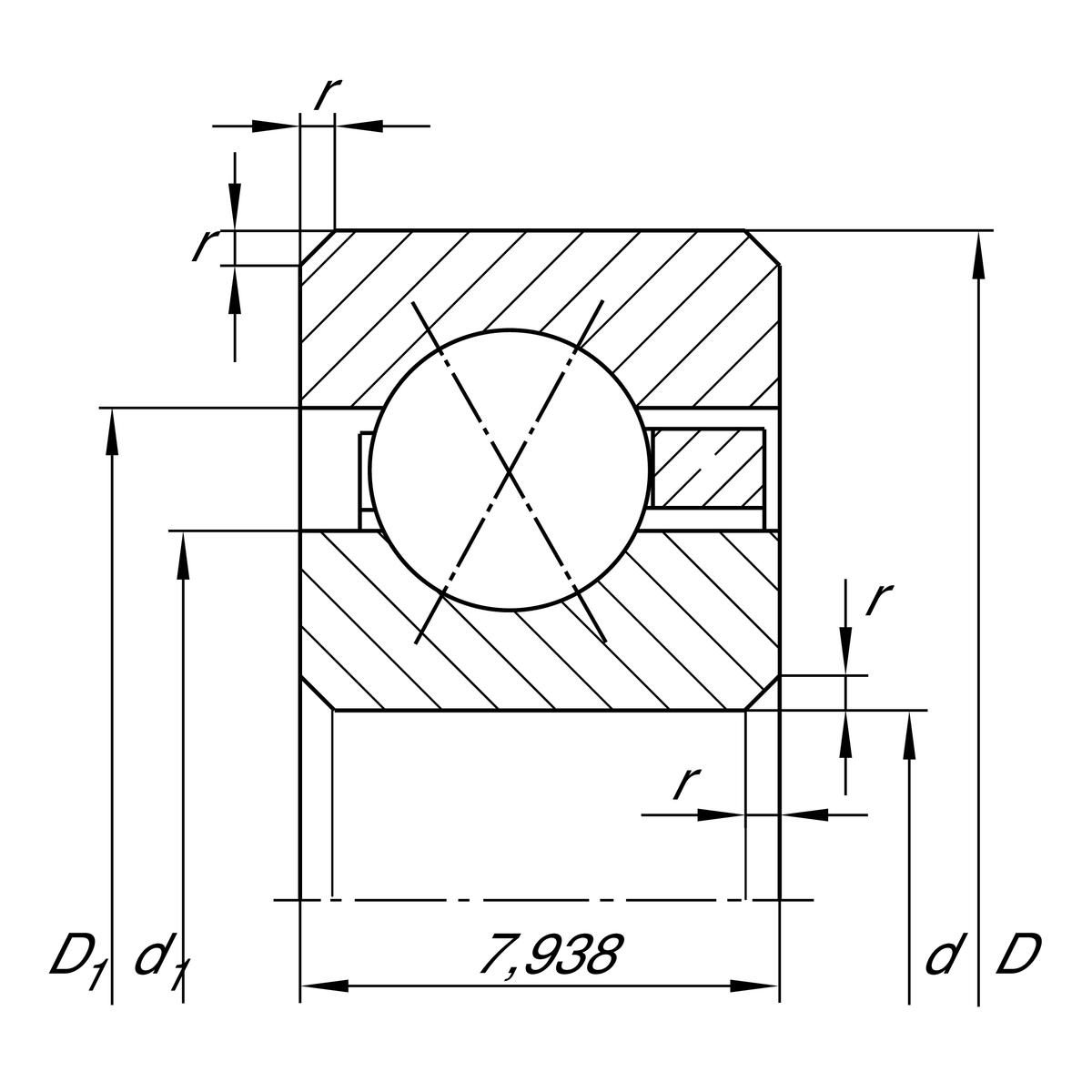
Main Dimensions & Performance Data
d
139.7 mm
D
155.575 mm
B
7.938 mm
Cr
9000 N
Cor
16400 N
Limiting speed
2240 rpm
Mounting dimensions
rmin
1 mm
Minimum chamfer dimension
d1
145.6 mm 内圈挡肩直径 ,
D1
149.7 mm 外圈挡肩直径 ,
α
30 °
Contact angle
Temperature range
Tmin
-30 °C
最低工作温度
Tmax
120 °C
最高工作温度