Japan
Contact
Search Bearing
Engineering Tools
Catalogs & Literature
Model query
Menu
About
CSR
PORTFOLIO
Engineered Bearings
MARKETS
INVESTORS
CAREERS
WORK THAT MATTERS
OUR CULTURE
BENEFITS
NEWS
Home
>
Model
>
Self aligning ball bearing
CSXA050 Four point contact ball bearing
Request Information
Return to list
VIEW CAD DRAWING
View structure diagram
View structure diagram
DOWNLOADS
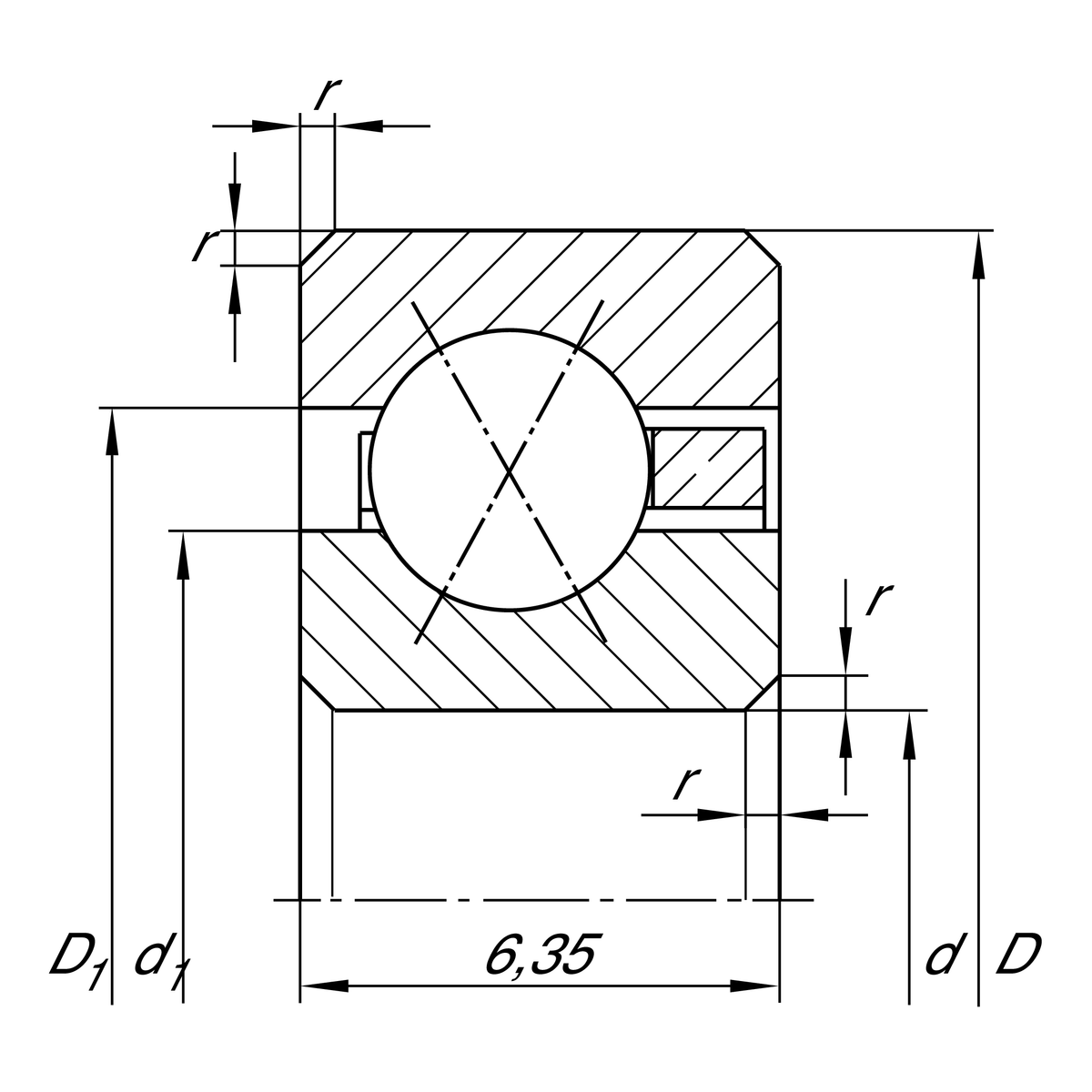
Main Dimensions & Performance Data
d
127 mm
D
139.7 mm
B
6.35 mm
Cr
6100 N
Cor
11200 N
Limiting speed
2550 rpm
Mounting dimensions
rmin
0.6 mm
Minimum chamfer dimension
d1
131.7 mm 内圈挡肩直径 ,
D1
135 mm 外圈挡肩直径 ,
α
30 °
Contact angle
Temperature range
Tmin
-30 °C
最低工作温度
Tmax
120 °C
最高工作温度