Japan
Contact
Search Bearing
Engineering Tools
Catalogs & Literature
Model query
Menu
About
CSR
PORTFOLIO
Engineered Bearings
MARKETS
INVESTORS
CAREERS
WORK THAT MATTERS
OUR CULTURE
BENEFITS
NEWS
Home
>
Model
>
Self aligning ball bearing
11208-TVH Self-aligning Ball Bearings
Request Information
Return to list
VIEW CAD DRAWING
View structure diagram
View structure diagram
DOWNLOADS
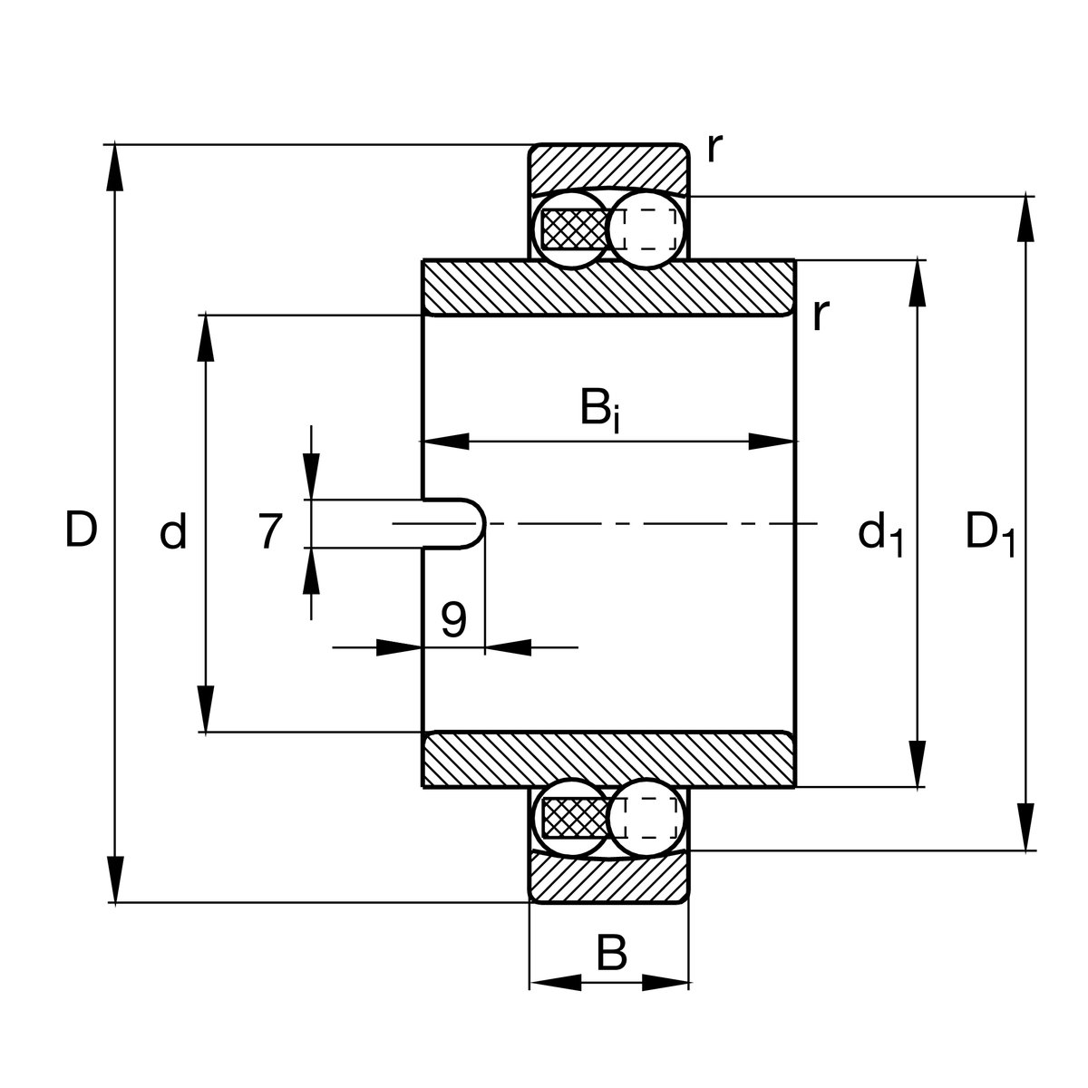
Main Dimensions & Performance Data
d
40 mm
D
80 mm
B
18 mm
Cr
19400 N
Cor
6500 N
Cur
415 N
Reference speed
8600 rpm
Limiting speed
10100 rpm
Mounting dimensions
Da max
73 mm
Maximum diameter of housing shoulder
r min
1.1 mm
Minimum chamfer size
D1
67.3 mm
Inner ring rib diameter
ra max
1 mm
Maximum pocket radius
d1
54 mm
Inner ring rib diameter
b
7 mm
Locating slot width
t
9 mm
Positioning groove height
Calculation coefficient
e
0.22
Fa\/Fr corresponds to different X and Y coefficients
Y1
2.91
Axial dynamic load factor
Y2
4.51
Axial dynamic load factor
Y0
3.05
Axial static load factor