Main Dimensions & Performance Data

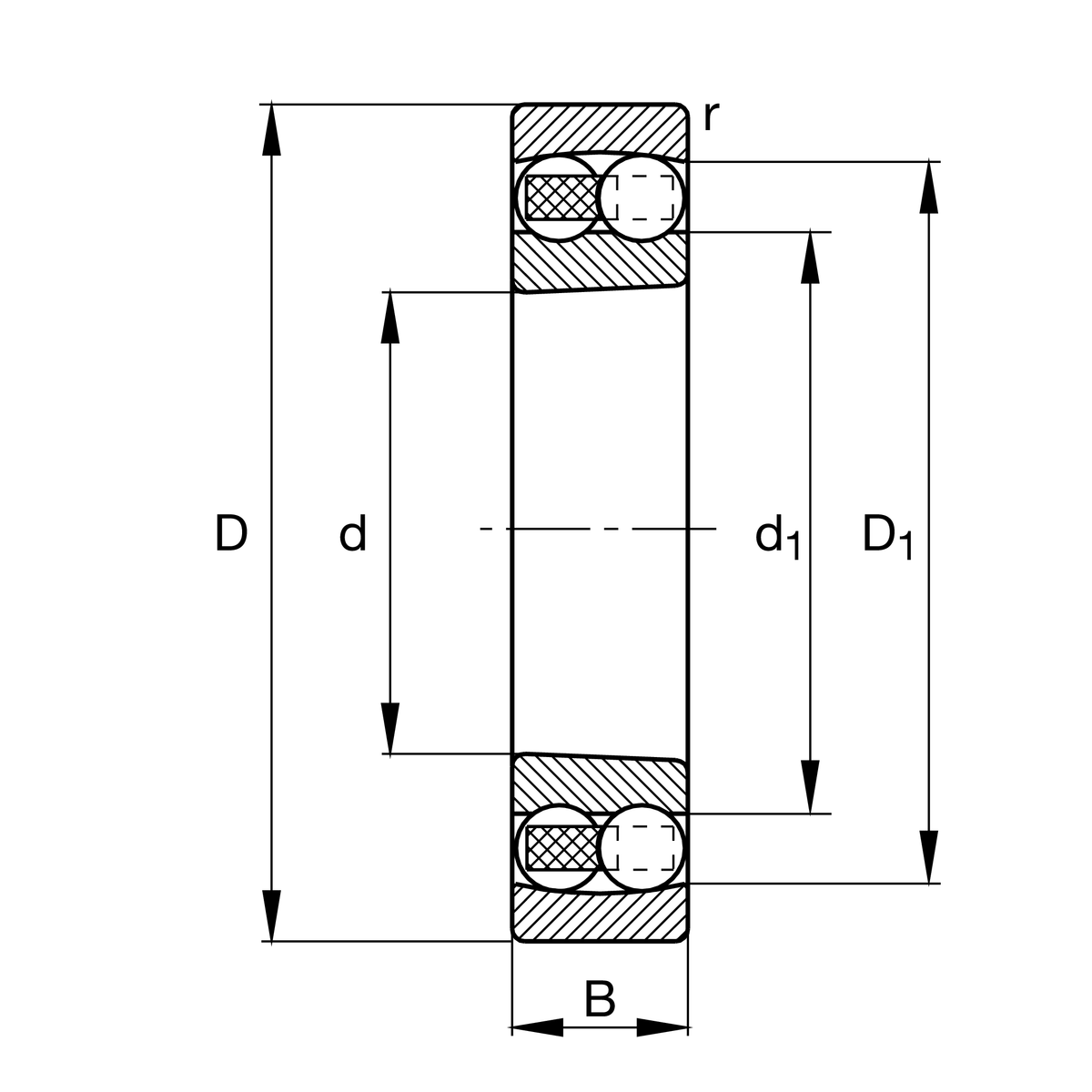
d

30 mm

D

72 mm

B

19 mm

Cr

21700 N

Cor

6300 N

Cur

400 N

Reference speed

8700 rpm

Limiting speed

11100 rpm

Mounting dimensions

da min

37 mm Shaft shoulder minimum diameter

r min

1.1 mm Minimum chamfer size

D1

58.9 mm Inner ring rib diameter

da max

42 mm Shaft shoulder IR minimum diameter

Da max

65 mm Maximum diameter of housing shoulder

d1

45.1 mm Inner ring rib diameter

db min

33 mm The minimum cavity diameter of the bushing

Ba min

6 mm Bushing minimum cavity width

ra max

1 mm Maximum pocket radius

Temperature range

T min

-30 °C Minimum operating temperature

T max

120 °C Maximum operating temperature

Calculation coefficient

e

0.26 Fa\/Fr corresponds to different X and Y coefficients

Y1

2.41 Axial dynamic load factor

Y2

3.72 Axial dynamic load factor

Y0

2.52 Axial static load factor