Japan
Contact
Search Bearing
Engineering Tools
Catalogs & Literature
Model query
Menu
About
CSR
PORTFOLIO
Engineered Bearings
MARKETS
INVESTORS
CAREERS
WORK THAT MATTERS
OUR CULTURE
BENEFITS
NEWS
Home
>
Model
>
Seal assembly
DRS30105 Seal assembly
Request Information
Return to list
VIEW CAD DRAWING
View structure diagram
View structure diagram
DOWNLOADS
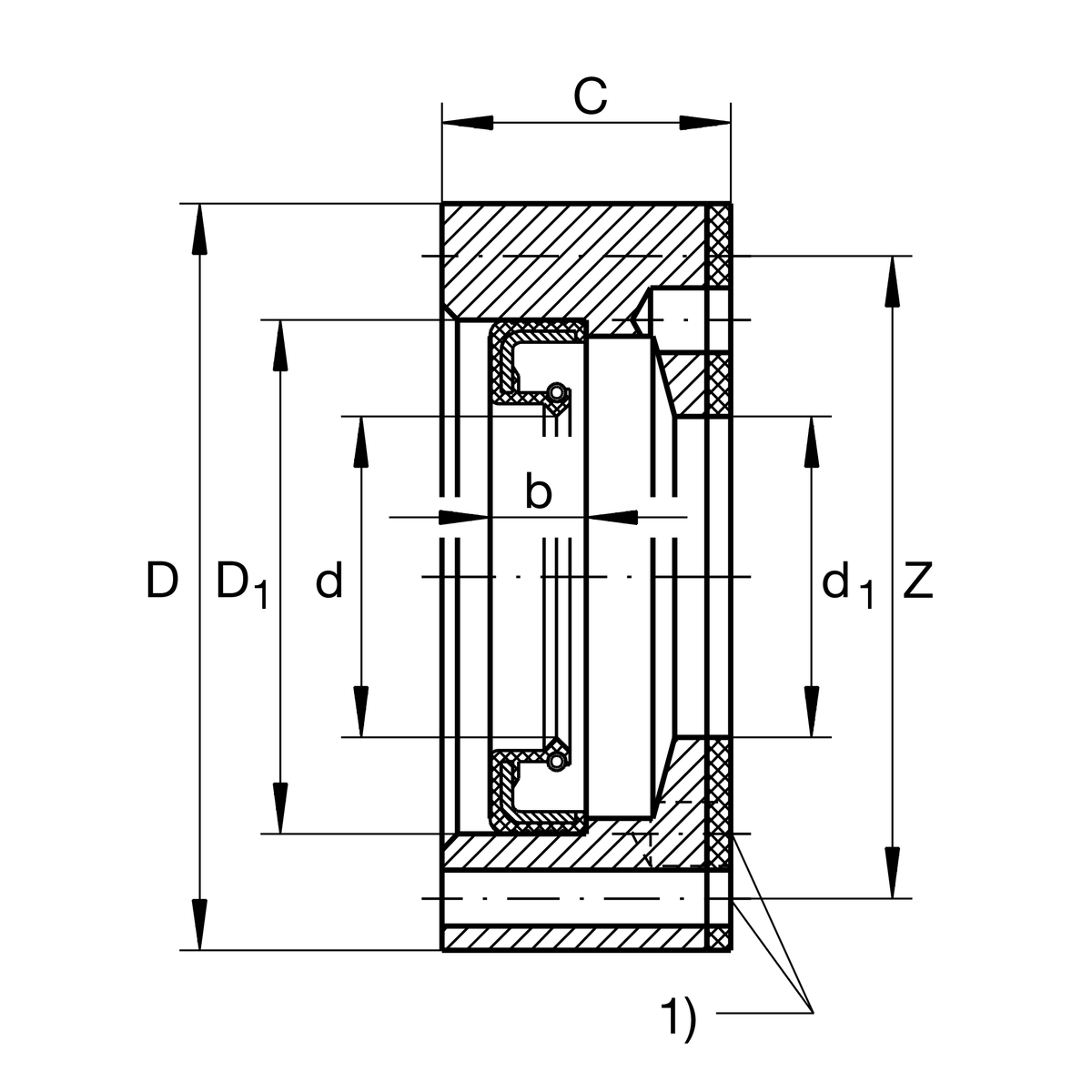
Main Dimensions & Performance Data
d
68 mm
D
105 mm
B
25 mm
Mounting dimensions
Z
95 mm
节圆直径(孔)
d
68 mm
定心密封唇内径
D1
85 mm
密封外径
b
10 mm
密封宽度
M4X35
螺栓尺寸
1)
4
螺栓数量