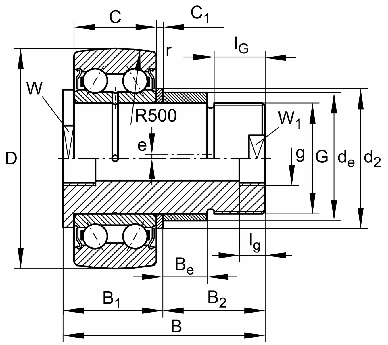
Main Dimensions & Performance Data

D

52 mm

B

76 mm

Cr

15400 N

Cor

11400 N

Cur

590 N

Limiting speed

7300 rpm

Mounting dimensions

B1 max

26 mm Thrust washer maximum width

B2

50 mm Bolt/Stud Effective Length

C

20.6 mm outer ring width

C1

2.5 mm Outer ring to thrust washer edge

d2

30 mm Thrust diameter of thrust washer

r min

1 mm Minimum chamfer size

W

22 mm Flat width

W1

17 mm Flat width

e

1 mm Eccentric

Be

18 mm Eccentric width

g

M8X1 internal thread

lg

8 mm thread length (inside)

G

M20X1,5 thread

IG min

29 mm Minimum thread length

R

500 mm Outer ring outer surface contour modification radius