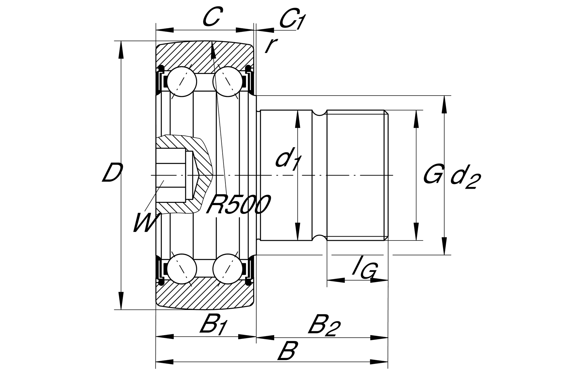
Main Dimensions & Performance Data

d

24 mm

D

72 mm

B

74.1 mm

Cr

24700 N

Cor

18400 N

Cur

950 N

Limiting speed

3500 rpm

Mounting dimensions

B1 max

25 mm Thrust washer maximum width

B2

49.5 mm Bolt/Stud Effective Length

C

23.8 mm outer ring width

C1

0.8 mm Outer ring to thrust washer edge

d2

37.3 mm Thrust diameter of thrust washer

r min

1 mm Minimum chamfer size

G

M24X1,5 thread

IG

25 mm thread length

W

10 mm Flat width

R

500 mm Outer ring outer surface contour modification radius