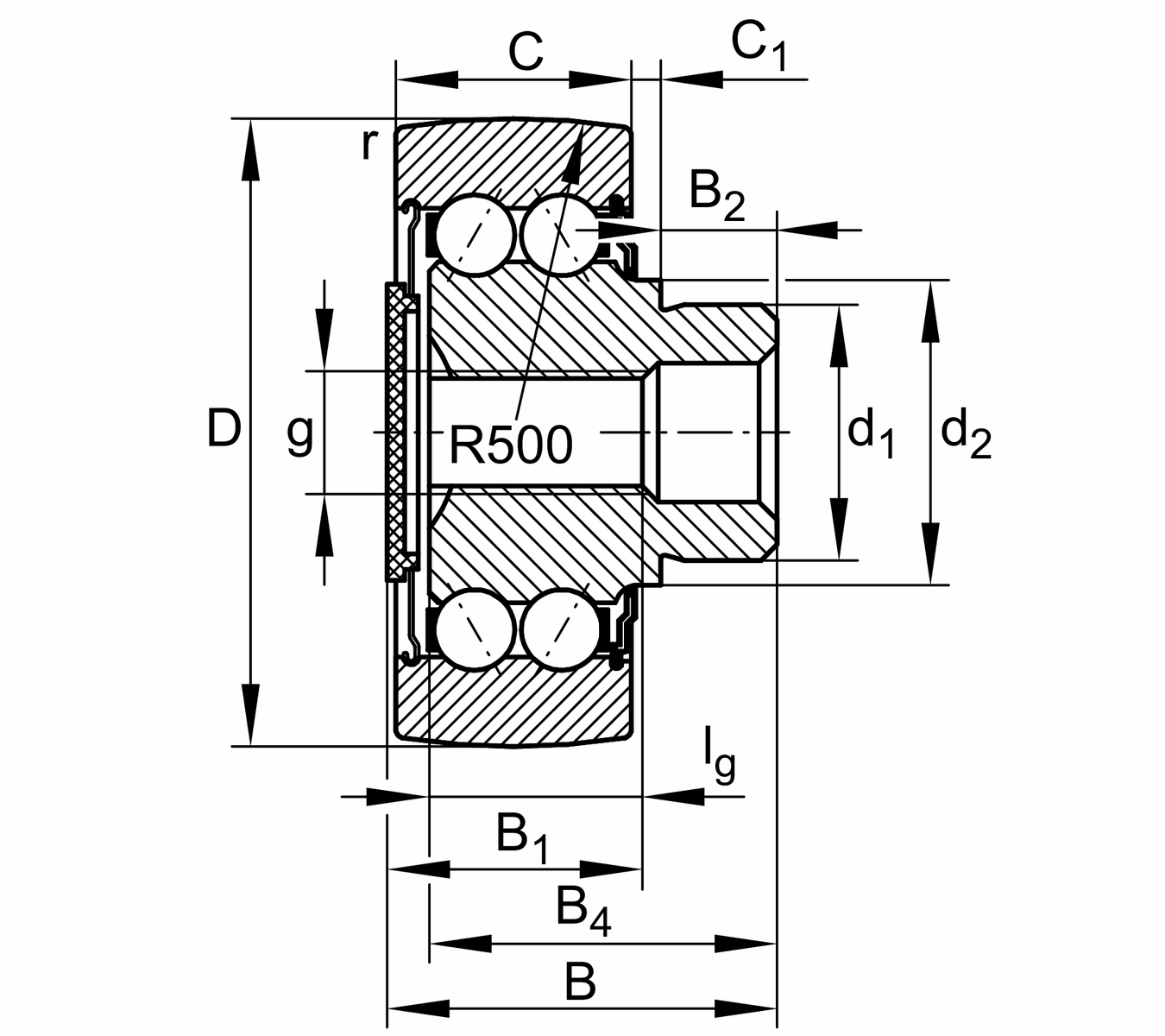
Main Dimensions & Performance Data

d

20 mm

D

52 mm

B

45.3 mm

Cr

16000 N

Cor

10800 N

Cur

560 N

Limiting speed

5000 rpm

Mounting dimensions

B1 max

25.5 mm Thrust washer maximum width

B2

20 mm Bolt/Stud Effective Length

B4

43 mm total length

C

20.6 mm outer ring width

C1

4 mm Outer ring to thrust washer edge

d2

26.8 mm Thrust diameter of thrust washer

r min

1 mm Minimum chamfer size

g

M10 internal thread

lg

18 mm thread length (inside)

R

500 mm Outer ring outer surface contour modification radius