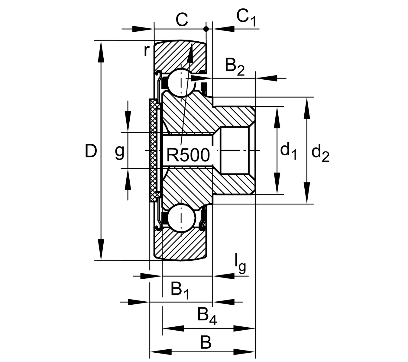
Main Dimensions & Performance Data

d

16 mm

D

40 mm

B

23.8 mm

Cr

7000 N

Cor

3450 N

Cur

175 N

Limiting speed

8500 rpm

Mounting dimensions

B1 max

14 mm Thrust washer maximum width

B2

10 mm Bolt/Stud Effective Length

B4

21.5 mm total length

C

11 mm outer ring width

C1

2 mm Outer ring to thrust washer edge

d2

20 mm Thrust diameter of thrust washer

r min

0.6 mm Minimum chamfer size

g

M8 internal thread

lg

15 mm thread length (inside)

R

500 mm Outer ring outer surface contour modification radius