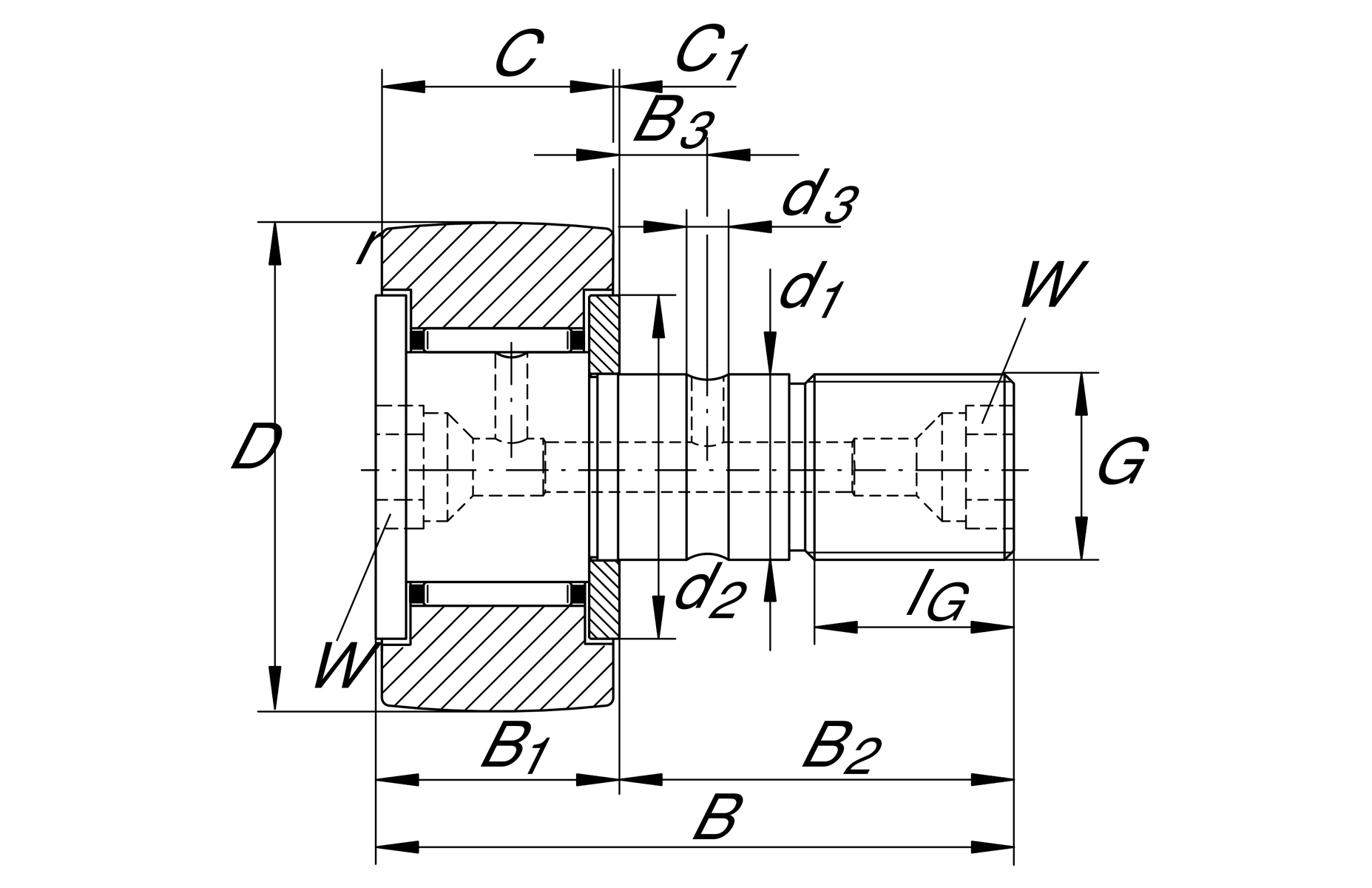
Main Dimensions & Performance Data

D

30 mm

B

40 mm

Cr

6800 N

Cor

8700 N

Cur

1240 N

Reference speed

5500 rpm

Mounting dimensions

B1

25.6 mm Maximum width of thrust washer

B2

40.5 mm Effective length of bolt / stud

B3

9 mm Distance to lubrication hole

C

24 mm Outer ring width

C1

0.8 mm Outer ring to thrust washer corner

rmin

1 mm Minimum chamfer size

d2

36.5 mm Thrust diameter of thrust washer

d3

4 mm Lubrication hole diameter

G

M20X1,5 thread

IG

21 mm Thread length

W

10 mm Plane width