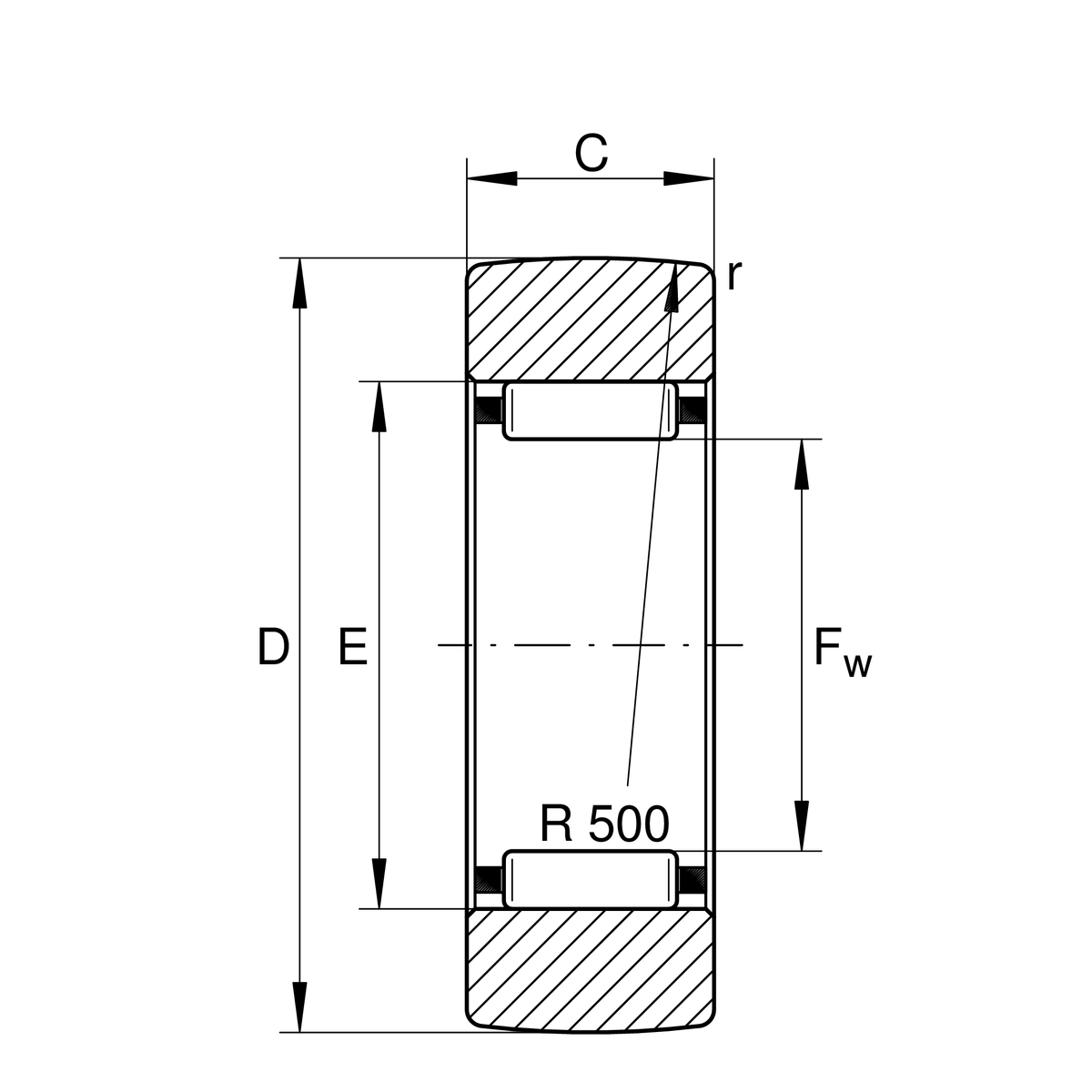
Main Dimensions & Performance Data

Fw

7 mm

D

16 mm

Cr

2550 N

Cor

2650 N

Cur

335 N

Reference speed

16000 rpm

Mounting dimensions

B1

19.6 mm Maximum width of thrust washer

B2

32.5 mm Effective length of bolt / stud

B3

8 mm Distance to lubrication hole

C

18 mm Outer ring width

C1

0.8 mm Outer ring to thrust washer corner

rmin

0.6 mm Minimum chamfer size

d2

27.6 mm Thrust diameter of thrust washer

d3

3 mm Lubrication hole diameter

G

M16X1,5 thread

IG

17 mm Thread length

W

8 mm Plane width

R

500 mm Contour modification radius of outer ring outer surface